ZHCSMO6 June 2021 TPS92633
PRODUCTION DATA
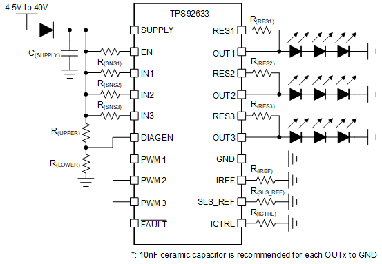
The TPS92633 device supports the DIAGEN pin with an accurate threshold to disable the LED open-circuit and single LED short-circuit diagnostic functions. The DIAGEN pin can be used to enable or disable LED open-circuit detection and single LED short-circuit detection based on SUPPLY pin voltage sensed by an external resistor divider as illustrated in Figure 7-11. When the voltage applied on DIAGEN pin is higher than the threshold VIH(DIAGEN), the device enables LED open-circuit and single LED short-circuit diagnosis. When V(DIAGEN) is lower than the threshold VIL(DIAGEN), the device disables LED open-circuit and single LED short-circuit detection.
Only LED open-circuit detection and single LED short-circuit detection can be disabled by pulling down the DIAGEN pin. The LED short-to-GND detection and over-temperature protection cannot be turned off by pulling down the DIAGEN pin. The SUPPLY threshold voltage can be calculated by using Equation 7.
Figure 7-11 Application
Schematic for DIAGEN
where