ZHCSMO6 June 2021 TPS92633
PRODUCTION DATA
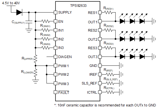
The TPS92633 can support supply control to turn ON and OFF output current. When the voltage applied on the SUPPLY pin is higher than the LED string forward voltage plus needed headroom voltage at required current, and the PWM pin voltage is high, the output current is turned ON and well regulated. However, when the voltage applied on the SUPPLY pin is lower than V(POR_falling), the output current is turned OFF. With this feature, the power supply voltage in designed pattern can control the output current ON/OFF. The brightness is adjustable if the ON/OFF frequency is fast enough. Because of the high accuracy design of PWM threshold in TPS92633, it enables a resistor divider on the PWM pin to set the SUPPLY threshold higher than LED forward voltage plus required headroom voltage as shown in Figure 7-6. The headroom voltage is basically the summation of V(DROPOUT) and V(CS_REG). When the voltage on the PWM pin is higher than VIH(PWM), the output current is turned ON. However, when the voltage on the PWM is lower than VIL(PWM), the output current is turned OFF. The SUPPLY threshold voltage can be calculated by using Equation 5.
Figure 7-6 Application
Schematic for Supply Control LED Brightness
where