ZHCSMX7A August 2021 – December 2021 TPS92519-Q1
PRODUCTION DATA
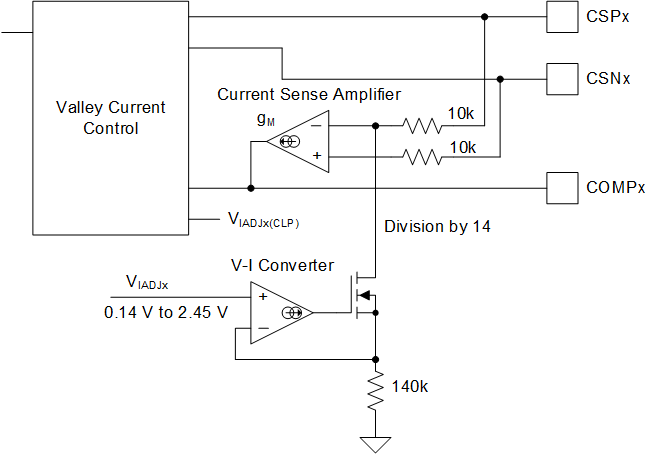
The reference voltage, VIADJ, is internally scaled by a gain factor of 1/14 through a resistor network. An internal rail-to-rail error amplifier generates an error signal proportional to the difference between the scaled reference voltage (VIADJ / 14) and the inductor current measured by the differential voltage drop between CSP and CSN, V(CSP-CSN). This error drives the COMP pin voltage, VCOMP, and directly controls the valley threshold of the inductor current. Zero average DC error and closed-loop regulation is achieved by implementing an integral compensation network consisting of a capacitor connected from the output of the error amplifier to GND. As a good starting point, TI recommends a capacitor value between 1 nF and 10 nF between the COMP pin and GND. The choice of compensation network must ensure a minimum of 60° of phase margin and 10 dB of gain margin. The Application and Implementation section summarizes the detailed design procedure.
Figure 7-2 Closed-loop LED Current
RegulationLED current is dependent on the current sense resistor, RCS. Use Equation 6 to calculate the LED current.

LED current accuracy is a function of the tolerance of the external sense resistor, RCS, and the variation in the sense threshold, V(CSP-CSN), caused by internal mismatch and temperature dependency of the analog components. The TPS92519-Q1 is capable of achieving LED current accuracy of ±4% at full scale over common-mode range and a junction temperature range of –40°C to 150°C.