SLVSCC6A March 2014 – June 2014 TPS2561A-Q1
PRODUCTION DATA.
Automotive USB Charging Ports
The TPS2561A-Q1 is dual-channel power-distribution switch intended for automotive applications where precision current limiting is required or heavy capacitive loads and short circuits are encountered. These devices offer a programmable current-limit threshold between 250 mA and 2.8 A (typ) per channel via an external resistor. The power-switch rise and fall times are controlled to minimize current surges during turn on/off.
Each channel of the TPS2561A-Q1 devices limits the output current to a safe level by switching into a constant-current mode when the output load exceeds the current-limit threshold. The FAULTx logic output for each channel independently asserts low during overcurrent and over temperature conditions.
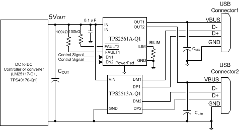
Use with the TPS2511-Q or TPS2513A-Q1 for a low loss, automotive qualified, USB Charging Port Solution capable of charging all of today's popular phones and tablets.
| PART NUMBER | PACKAGE | BODY SIZE (NOM) |
|---|---|---|
| TPS2561A-Q1 | SON (10) | 3.00mm x 3.00mm |
