SLVSA75A July 2010 – August 2015 TPS386596
PRODUCTION DATA.
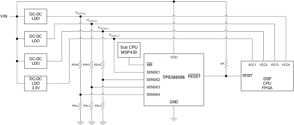
The TPS386596 device monitors four power rails and asserts the RESET signal when any of the SENSE inputs drop below the respective thresholds. SVS-1 can be used to monitor a 3.3-V nominal power supply with no external components required. SVS-2, SVS-3, and SVS-4 are adjustable using external resistors and can be used to monitor any power-supply voltage higher than 0.4 V. All SENSE inputs have a threshold accuracy of 0.25% (typical). The TPS386596L33 also has an active-low manual reset (MR) that can assert the RESET signal as desired by the application. The open-drain, active-low RESET output deasserts after a fixed 50-ms delay.
The TPS386596 has a low quiescent current of 7 µA (typical) and is available in a space-saving, 8-pin MSOP package.
| PART NUMBER | PACKAGE | BODY SIZE (NOM) |
|---|---|---|
| TPS386596 | VSSOP (8) | 5.00 mm × 3.00 mm |
