SLVSA75A July 2010 – August 2015 TPS386596
PRODUCTION DATA.
| MIN | MAX | UNIT | ||
|---|---|---|---|---|
| Voltage | Input, VDD | –0.3 | 7 | V |
| VMR, VSENSE1, VSENSE2, VSENSE3, VSENSE4, VRESET | –0.3 | 7 | V | |
| Current | RESET pin | 5 | mA | |
| Power dissipation | Continuous total | See Thermal Information | ||
| Temperature | Operating virtual junction, TJ | –40 | 150 | °C |
| Operating ambient, TA | –40 | 125 | ||
| Storage, Tstg | –65 | 150 | ||
| VALUE | UNIT | |||
|---|---|---|---|---|
| V(ESD) | Electrostatic discharge | Human body model (HBM), per ANSI/ESDA/JEDEC JS-001(1) | ±2000 | V |
| Charged-device model (CDM), per JEDEC specification JESD22-C101(2) | ±500 | |||
| MIN | NOM | MAX | UNIT | ||
|---|---|---|---|---|---|
| VDD | 1.8 | 6.5 | V | ||
| VSENSE(1) | 0 | VDD | V | ||
| VMR | 0 | VDD | V | ||
| VRESET | 0 | 6.5 | V | ||
| RPULL-UP | 6.5 | 100 | 10,000 | kΩ | |
| TJ | –40 | 25 | 125 | °C | |
| THERMAL METRIC(1) | TPS386596 | UNIT | |
|---|---|---|---|
| DGK (VSSOP) | |||
| 8 PINS | |||
| RθJA | Junction-to-ambient thermal resistance | 174 | °C/W |
| RθJC(top) | Junction-to-case (top) thermal resistance | 45.5 | °C/W |
| RθJB | Junction-to-board thermal resistance | 94 | °C/W |
| ψJT | Junction-to-top characterization parameter | 1.9 | °C/W |
| ψJB | Junction-to-board characterization parameter | 92.7 | °C/W |
| RθJC(bot) | Junction-to-case (bottom) thermal resistance | N/A | °C/W |
| PARAMETER | TEST CONDITIONS | MIN | TYP | MAX | UNIT | |
|---|---|---|---|---|---|---|
| VDD | Input supply | 1.8 | 6.5 | V | ||
| IDD | Supply current (current into VDD pin) | VCC = 3.3 V, RESET not asserted | 7 | 19 | µA | |
| VCC = 6.5 V, RESET not asserted | 7.5 | 22 | µA | |||
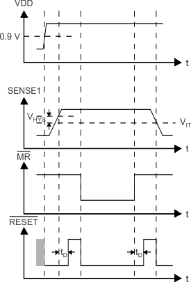
| Power-on reset voltage(1)(2) | VOL(max) = 0.2 V, IRESET = 15 µA | 0.9 | V | |||
| VITn | Negative-going input threshold accuracy | SENSE1 | 2.87 | 2.90 | 2.93 | V |
| SENSE2, SENSE3, SENSE4 | 396 | 400 | 404 | mV | ||
| VHYS | Hysteresis (positive-going) on VITn | SENSE1 | 25 | 72 | mV | |
| SENSE2, SENSE3, SENSE4 | 3.5 | 10 | mV | |||
| ISENSE1 | Input current at SENSE1 | VSENSE1 = 3.3 V | 2.2 | 2.75 | 3.3 | µA |
| ISENSEn | Input current at SENSEn pin, n = 2, 3, 4 |
VSENSEn = 0.42 V | –25 | 25 | nA | |
| td | RESETdelay time | 30 | 50 | 70 | ms | |
| VIL | MR logic low input | 0 | 0.3VDD | V | ||
| VIH | MR logic high input | 0.7VDD | V | |||
| RMR_Pullup | Internal pullup resistor on MR pin to VDD | 100 | kΩ | |||
| VOL | Low-level RESET output voltage | IOL = 1 mA | 0.4 | V | ||
| SENSEn = 0 V, 1.3 V < VDD < 1.8 V, IOL = 0.4 mA(1) |
0.3 | |||||
| ILKG | RESET leakage current | VRESET = 6.5 V, RESET not asserted | –300 | 300 | nA | |
| CIN | Input pin capacitance | 5 | pF | |||
| MIN | NOM | MAX | UNIT | |||
|---|---|---|---|---|---|---|
| tW | Input pulse width to SENSEn and MR pins | SENSEm: 1.05 VIT ≥ 0.95 VIT | 4 | μs | ||
| MR: 0.7 VDD ≥ 0.3 VDD | 50 | ns | ||||
| MIN | TYP | MAX | UNIT | |||
|---|---|---|---|---|---|---|
| tD | RESET delay time | 30 | 50 | 70 | ms | |
Figure 1. Timing Diagram










