ZHCSIQ7B August 2018 – October 2024 UCC28950 , UCC28951
PRODUCTION DATA
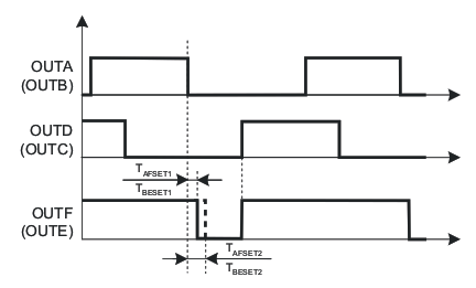
The resistor REF from the DELEF pin to GND along with the resistor divider RAEFHI from CS pin to ADELEF pin and RAEF from ADELEF pin to GND sets equal delays TAFSET and TBESET between outputs OUTA or OUTB going low and related output OUTF or OUTE going low Figure 6-4. The total resistance of this resistor divider should be in the range between 10kΩ and 20kΩ.
Figure 6-4 Delay
Definitions Between OUTA and OUTF, OUTB and OUTEThese delays gradually increase as function of the CS signal from TAFSET1, which is measured at VCS = 0.2V, to TAFSET2, which is measured at VCS = 1.8V. This is opposite to the DELAB and DELCD behavior and this delay is longest (TAFSET2) when the signal at CS pin is maximized and shortest (TAFSET1) when the CS signal is minimized. This approach will reduce the synchronous rectifier MOSFET body diode conduction time over a wide load current range thus improving efficiency. The ratio between the longest and shortest delays is set by the resistor divider RAEFHI and RAEF. If CS and ADELEF are tied, the ratio is maximized. If ADELEF is connected to GND, then the delay is fixed, defined only by resistor REF from DELEF to GND.
The delay time TAFSET is defined by the following Equation 6. Equation 6 also defines the delay time TBESET.
where
Equation 7 is an empirical approximation of measured data, thus, there is no unit agreement in it. As an example, assume REF = 15kΩ, CS = 1V and KEF = 0.5. Then the TAFSET is going to be 41.7ns. KEF is defined as Equation 7:

RAEF and RAEFHI define the portion of voltage at pin CS applied to the pin ADELEF (see Figure 7-3). KEF defines how significantly the delay time depends on CS voltage. KEF varies from 0, where ADELEF pin is shorted to ground (RAEF = 0) and the delay does not depend on CS voltage, to 1, where ADELEF is tied to CS (RAEFHI = 0).
The allowed resistor range on DELEF, REF is 13kΩ to 90kΩ.
The plots in Figure 6-5 and Figure 6-6 show delay time settings as function of CS voltage and KEF for two different conditions: REF = 13kΩ (Figure 6-5) and REF = 90kΩ (Figure 6-6)