ZHCSD04E November 2014 – March 2022 TPS65400
PRODUCTION DATA
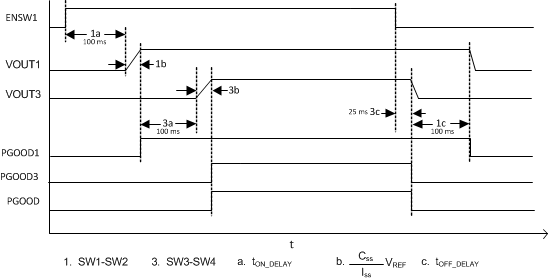
Figure 9-12 shows an example configuration in which both the SW1-SW2 pair and SW3-SW4 pair are current shared. The enable pin of the slave converter can either follow the master converter or be floating. For the PGOOD pin, the slave PGOOD follows the master PGOOD. Due to internal pull-ups to VDDD on ENSWx lines, the user has an option to control ENSWx if an always on condition is desired.
