ZHCSHF3C january 2018 – may 2023 TPS65268-Q1
PRODUCTION DATA
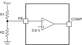
The output voltage of each buck converter is set with a resistor divider from the output of the buck converter to the FB pin as shown in Figure 7-1. TI recommends using1% tolerance or better resistors. Use Equation 1 to calculate the value of R2.
Figure 7-1 Voltage Divider Circuit
To improve efficiency at light loads, consider using larger value resistors. If the values are too high, the regulator is more sensitive to noise. Table 7-1 lists the recommended resistor values.
| OUTPUT VOLTAGE (V) | R1 (kΩ) | R2 (kΩ) |
|---|---|---|
| 1 | 10 | 15 |
| 1.2 | 10 | 10 |
| 1.5 | 15 | 10 |
| 1.8 | 20 | 10 |
| 2.5 | 31.6 | 10 |
| 3.3 | 45.3 | 10 |
| 3.3 | 22.6 | 4.99 |
| 5 | 73.2 | 10 |
| 5 | 36.5 | 4.99 |