ZHCSEL9B december 2015 – may 2023 TPS65265
PRODUCTION DATA
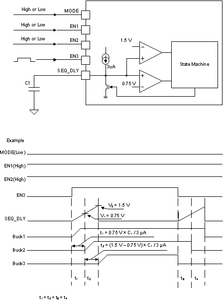
The TPS65265 starts with a predefined power-up and power-down sequence when MODE pin ties HIGH or ties to GND. As shown in Table 8-2, the sequence is determined by the different combinations of EN1 and EN2 status. EN3 is used to start and stop the converters. Figure 8-6 shows the power sequencing when MODE ties to GND, EN1, and EN2 are tied to HIGH.
An internal 3-μA pullup current source is connected to SEQ_DLY pin. The interval time between bucks can be programmed by connecting a capacitor between SEQ_DLY pin and ground. The interval time can be calculated with Equation 5.

where
| MODE | EN1 | EN2 | EN3 | START SEQUENCING | SHUTDOWN SEQUENCING | |
|---|---|---|---|---|---|---|
| Automatic Power Sequencing | Connect to GND | High | High | Used to start and stop bucks in sequence | buck1 → buck2 → buck3 | buck3 → buck2 → buck1 |
| Connect to GND | Low | High | buck2 → buck1 → buck3 | buck3 → buck1 → buck2 | ||
| Connect to GND | High | Low | buck2 → buck3 → buck1 | buck1 → buck3 → buck2 | ||
| Connect to high or float | High | High | buck1 → buck3 → buck2 | buck2 → buck3 → buck1 | ||
| Connect to high or float | Low | High | buck3 → buck1 → buck2 | buck2 → buck1 → buck3 | ||
| Connect to high or float | High | Low | buck3 → buck2 → buck1 | buck1 → buck2 → buck3 | ||
| Connect to GND | Low | Low | Reserved | Reserved | Reserved | |
| Connect to high or float | Low | Low | Reserved | Reserved | Reserved | |
| Externally Controlled Sequencing | Floating | Used to start and stop buck1 | Used to start and stop buck2 | Used to start and stop buck3 | x | x |
Figure 8-6 Automatic Power Sequencing