ZHCS111E November 2011 – May 2017 TPS62170 , TPS62171 , TPS62172 , TPS62173
PRODUCTION DATA.
NOTE
Information in the following applications sections is not part of the TI component specification, and TI does not warrant its accuracy or completeness. TI’s customers are responsible for determining suitability of components for their purposes. Customers should validate and test their design implementation to confirm system functionality.
The TPS6217x device family are easy to use synchronous step-down DC-DC converters optimized for applications with high power density. A high switching frequency of typically 2.25 MHz allows the use of small inductors and provides fast transient response as well as high output voltage accuracy by utilization of the DCS-Control™ topology. With its wide operating input voltage range of 3 V to 17 V, the devices are ideally suited for systems powered from either a Li-Ion or other battery as well as from 12-V intermediate power rails. It supports up to 0.5-A continuous output current at output voltages between 0.9 V and 6 V (with 100% duty cycle mode).
space
Figure 7. TPS62170 Adjustable Power Supply
space
The design guideline provides a component selection to operate the device within the Recommended Operating Conditions.
Click here to create a custom design using the TPS62170 device with the WEBENCH® Power Designer.
While the output voltage of the TPS62170 is adjustable, the TPS62171/TPS62172/TPS62173 are programmed to fixed output voltages. For fixed output versions, the FB pin is pulled down internally and may be left floating. it is recommended to connect it to AGND to improve thermal resistance. The adjustable version can be programmed for output voltages from 0.9 V to 6 V by using a resistive divider from VOUT to AGND. The voltage at the FB pin is regulated to 800 mV. The value of the output voltage is set by the selection of the resistive divider from Equation 6. It is recommended to choose resistor values which allow a current of at least 2 uA, meaning the value of R2 should not exceed 400 kΩ. Lower resistor values are recommended for highest accuracy and most robust design. For applications requiring lowest current consumption, the use of fixed output voltage versions is recommended.
spacing

spacing
In case the FB pin gets opened, the device clamps the output voltage at the VOS pin to about 7.4 V.
The external components have to fulfill the needs of the application, but also the stability criteria of the devices control loop. The TPS6217x is optimized to work within a range of external components. The LC output filter's inductance and capacitance have to be considered together, creating a double pole, responsible for the corner frequency of the converter (see Output Filter and Loop Stability). Table 2 can be used to simplify the output filter component selection. Checked cells represent combinations that are proven for stability by simulation and lab test. Further combinations should be checked for each individual application.
space
| 4.7µF | 10µF | 22µF | 47µF | 100µF | 200µF | 400µF | |
|---|---|---|---|---|---|---|---|
| 1µH | |||||||
| 2.2µH | √ | √(2) | √ | √ | √ | ||
| 3.3µH | √ | √ | √ | √ | |||
| 4.7µH |
space
More detailed information on further LC combinations can be found in SLVA463.
The inductor selection is affected by several effects like inductor ripple current, output ripple voltage, PWM-to-PSM transition point and efficiency. In addition, the inductor selected has to be rated for appropriate saturation current and DC resistance (DCR). Equation 7 and Equation 8 calculate the maximum inductor current under static load conditions.
spacing

spacing
spacing

where
spacing
Calculating the maximum inductor current using the actual operating conditions gives the minimum saturation current of the inductor needed. A margin of about 20% is recommended to add. A larger inductor value is also useful to get lower ripple current, but increases the transient response time and size as well. Table 3 lists inductors that are recommended for use with the TPS6217x.
| Type | Inductance [µH] | Current [A](1) | Dimensions [L x B x H] mm | MANUFACTURER |
|---|---|---|---|---|
| VLF3012ST-2R2M1R4 | 2.2 µH, ±20% | 1.9 A | 3.0 x 2.8 x 1.2 | TDK |
| VLF302512MT-2R2M | 2.2 µH, ±20% | 1.9 A | 3.0 x 2.5 x 1.2 | TDK |
| VLS252012-2R2 | 2.2 µH, ±20% | 1.3 A | 2.5 x 2.0 x 1.2 | TDK |
| XFL3012-222MEC | 2.2 µH, ±20% | 1.9 A | 3.0 x 3.0 x 1.2 | Coilcraft |
| XFL3012-332MEC | 3.3 µH, ±20% | 1.6 A | 3.0 x 3.0 x 1.2 | Coilcraft |
| XPL2010-222MLC | 2.2 µH, ±20% | 1.3 A | 1.9 x 2.0 x 1.0 | Coilcraft |
| XPL2010-332MLC | 3.3 µH, ±20% | 1.1 A | 1.9 x 2.0 x 1.0 | Coilcraft |
| LPS3015-332ML | 3.3 µH, ±20% | 1.4 A | 3.0 x 3.0 x 1.4 | Coilcraft |
| PFL2512-222ME | 2.2 µH, ±20% | 1.0 A | 2.8 x 2.3 x 1.2 | Coilcraft |
| PFL2512-333ME | 3.3 µH, ±20% | 0.78 A | 2.8 x 2.3 x 1.2 | Coilcraft |
| 744028003 | 3.3 µH, ±30% | 1.0 A | 2.8 x 2.8 x 1.1 | Wuerth |
| PSI25201B-2R2MS | 2.2 uH, ±20% | 1.3 A | 2.0 x 2.5 x 1.2 | Cyntec |
| NR3015T-2R2M | 2.2 uH, ±20% | 1.5 A | 3.0 x 3.0 x 1.5 | Taiyo Yuden |
| BRC2012T2R2MD | 2.2 µH, ±20% | 1.0 A | 2.0 x 1.25 x 1.4 | Taiyo Yuden |
| BRC2012T3R3MD | 3.3 µH, ±20% | 0.87 A | 2.0 x 1.25 x 1.4 | Taiyo Yuden |
TPS6217x can operate with an inductor as low as 2.2 µH. However, for applications running with low input voltages, 3.3 µH is recommended, to allow the full output current. The inductor value also determines the load current at which power save mode is entered:

Using Equation 8, this current level is adjusted by changing the inductor value.
The recommended value for the output capacitor is 22 µF. The architecture of the TPS6217x allows the use of tiny ceramic output capacitors with low equivalent series resistance (ESR). These capacitors provide low output voltage ripple and are recommended. To keep its low resistance up to high frequencies and to get narrow capacitance variation with temperature, it is recommended to use an X7R or X5R dielectric. Using a higher value can have some advantages like smaller voltage ripple and a tighter DC output accuracy in power save mode (see SLVA463).
Note: In power save mode, the output voltage ripple depends on the output capacitance, its ESR and the peak inductor current. Using ceramic capacitors provides small ESR and low ripple.
For most applications, 10 µF is sufficient and is recommended, though a larger value reduces input current ripple further. The input capacitor buffers the input voltage for transient events and also decouples the converter from the supply. A low ESR multilayer ceramic capacitor is recommended for best filtering and should be placed between VIN and PGND as close as possible to those pins.
spacing
NOTE
DC bias effect: High capacitance ceramic capacitors have a DC bias effect, which has a strong influence on the final effective capacitance. Therefore the right capacitor value has to be chosen carefully. Package size and voltage rating in combination with dielectric material are responsible for differences between the rated capacitor value and the effective capacitance.
spacing
The devices of the TPS6217x family are internally compensated to be stable with L-C filter combinations corresponding to a corner frequency calculated with Equation 10:
space

space
Proven nominal values for inductance and ceramic capacitance are given in Table 2 and are recommended for use. Different values may work, but care has to be taken on the loop stability which is affected. More information including a detailed L-C stability matrix is found in SLVA463.
The TPS6217x devices, both fixed and adjustable versions, include an internal 25 pF feed forward capacitor, connected between the VOS and FB pins. This capacitor impacts the frequency behavior and sets a pole and zero in the control loop with the resistors of the feedback divider, per Equation 11 and Equation 12:
space

space

space
Though the TPS6217x devices are stable without the pole and zero being in a particular location, adjusting their location to the specific needs of the application can provide better performance in power save mode and/or improved transient response. An external feed-forward capacitor can also be added. A more detailed discussion on the optimization for stability vs. transient response can be found in SLVA289 and SLVA466.
If using ceramic capacitors, the DC bias effect has to be considered. The DC bias effect results in a drop in effective capacitance as the voltage across the capacitor increases (see NOTE in Capacitor selection section).
Table 4 shows the list of components for the Application Curves.
Figure 8. Efficiency vs Output Current, VOUT = 6 V
Figure 10. Efficiency vs Output Current, VOUT = 5 V
Figure 12. Efficiency vs Output Current, VOUT = 3.3 V
Figure 14. Efficiency vs Output Current, VOUT = 1.8 V
Figure 16. Efficiency vs Output Current, VOUT = 0.9 V
Figure 18. Output Voltage Accuracy (Load Regulation)
Figure 20. Switching Frequency vs Output Current
Figure 22. Output Voltage Ripple
Figure 24. PWM to PSM Mode Transition
Figure 26. Load Transient Response in PWM Mode
Figure 28. Load Transient Response in PWM Mode
Figure 30. Startup with IOUT = 500 mA, VOUT = 3.3 V
Figure 32. Typical Operation in Power Save Mode
Figure 9. Efficiency vs Input Voltage, VOUT = 6 V
Figure 11. Efficiency vs Input Voltage, VOUT = 5 V
Figure 13. Efficiency vs Input Voltage, VOUT = 3.3 V
Figure 15. Efficiency vs Input Voltage, VOUT = 1.8 V
Figure 17. Efficiency vs Input Voltage, VOUT = 0.9 V
Figure 19. Output Voltage Accuracy (Line Regulation)
Figure 21. Switching Frequency vs Input Voltage
Figure 23. Maximum Output Current
Figure 25. PSM to PWM Mode Transition
Figure 27. Load Transient Response from
Figure 29. Load Transient Response in PWM Mode
Figure 31. Startup with IOUT = 500 mA, VOUT = 3.3 V
Figure 33. Typical Operation in PWM mode (IOUT = 500 mA)
Figure 34 through Figure 40 show various TPS6217x devices and input voltages that provide a 0.5-A power supply with output voltage options.
Figure 34. 5-V and 0.5-A Power Supply
Figure 35. 3.3-V and 0.5-A Power Supply
Figure 36. 2.5-V and 0.5-A Power Supply
Figure 37. 1.8-V and 0.5-A Power Supply
Figure 38. 1.5-V and 0.5-A Power Supply
Figure 39. 1.2-V and 0.5-A Power Supply
Figure 40. 1-V and 0.5-A Power Supply
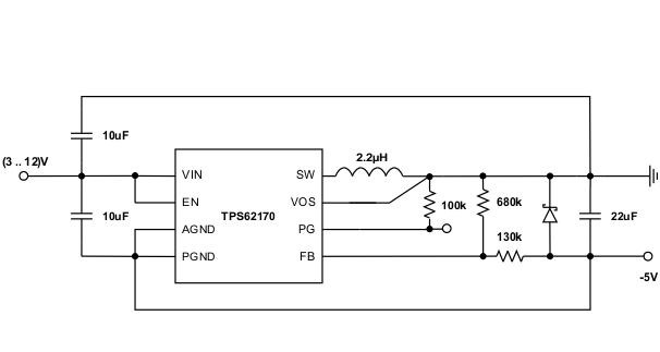
The TPS6217x can be used as inverting power supply by rearranging external circuitry as shown in Figure 41. As the former GND node now represents a voltage level below system ground, the voltage difference between VIN and VOUT has to be limited for operation to the maximum supply voltage of 17 V (see Equation 13).
space

space
The transfer function of the inverting power supply configuration differs from the buck mode transfer function, incorporating a right half plane zero additionally. The loop stability has to be adapted and an output capacitance of at least 22 µF is recommended. A detailed design example is given in SLVA469.