SLUS534G September 2002 – March 2015 TPS61030 , TPS61031 , TPS61032
PRODUCTION DATA.
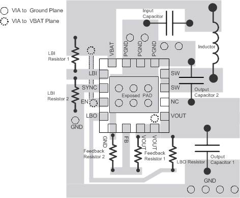
As for all switching power supplies, the layout is an important step in the design, especially at high peak currents and high switching frequencies. If the layout is not carefully done, the regulator could show stability problems as well as EMI problems. Therefore, use wide and short traces for the main current path and for the power ground tracks. The input capacitor, output capacitor, and the inductor should be placed as close as possible to the IC. Use a common ground node for power ground and a different one for control ground to minimize the effects of ground noise. Connect these ground nodes at any place close to one of the ground pins of the IC.
The feedback divider should be placed as close as possible to the control ground pin of the IC. To lay out the control ground, it is recommended to use short traces as well, separated from the power ground traces. This avoids ground shift problems, which can occur due to superimposition of power ground current and control ground current.

Implementation of integrated circuits in low-profile and fine-pitch surface-mount packages typically requires special attention to power dissipation. Many system-dependent issues such as thermal coupling, airflow, added heat sinks and convection surfaces, and the presence of other heat-generating components affect the power-dissipation limits of a given component.
Three basic approaches for enhancing thermal performance are listed below:
The maximum junction temperature (TJ) of the TPS6103x devices is 125°C. The thermal resistance of the 16-pin TSSOP PowerPAD package (PWP) is RΘJA = 36.5°C/W (QFN package, RSA, 38.1°C/W), if the PowerPAD is soldered. Specified regulator operation is assured to a maximum ambient temperature TA of 85°C. Therefore, the maximum power dissipation for the PWP package is about 1096 mW, for the RSA package it is about 1050 mW. More power can be dissipated if the maximum ambient temperature of the application is lower.
