ZHCSEL8A November 2015 – December 2015 TPS549A20
PRODUCTION DATA.
NOTE
Information in the following applications sections is not part of the TI component specification, and TI does not warrant its accuracy or completeness. TI’s customers are responsible for determining suitability of components for their purposes. Customers should validate and test their design implementation to confirm system functionality.
The TPS549A20 device is a high-efficiency, single-channel, synchronous-buck converter. The device suits low-output voltage point-of-load applications with 15-A or lower output current in computing and similar digital consumer applications.
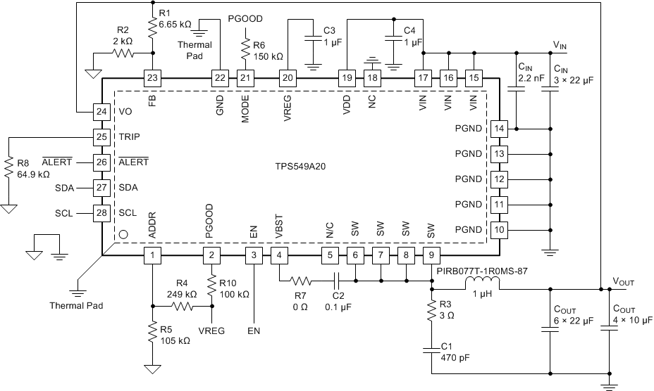
Figure 44. Typical Application Circuit Diagram
This design uses the parameters listed in Table 19.
| PARAMETER | TEST CONDITIONS | MIN | TYP | MAX | UNIT | |
|---|---|---|---|---|---|---|
| INPUT CHARACTERISTIC | ||||||
| VIN | Voltage range | 5 | 12 | 18 | V | |
| IMAX | Maximum input current | VIN = 5 V, IOUT = 8 A | 2.5 | A | ||
| No load input current | VIN = 12 V, IOUT = 0 A with auto skip mode | 1 | mA | |||
| OUTPUT CHARACTERISTICS | ||||||
| VOUT | Output voltage | 1.2 | V | |||
| Output voltage regulation | Line regulation, 5 V ≤ VIN ≤ –14 V with FCCM |
0.2% | ||||
| Load regulation, VIN = 12 V, 0 A ≤ IOUT ≤ 8 A with FCCM |
0.5% | |||||
| VRIPPLE | Output voltage ripple | VIN = 12 V, IOUT = 8 A with FCCM | 10 | mVPP | ||
| ILOAD | Output load current | 0 | 12 | A | ||
| IOVER | Output over current | 11 | ||||
| tSS | Soft-start time | 1 | ms | |||
| SYSTEMS CHARACTERISTICS | ||||||
| fSW | Switching frequency | 1 | MHz | |||
| η | Peak efficiency | VIN = 12 V, VOUT = 1.2 V, IOUT = 4 A | 91.2% | |||
| η | Full load efficiency | VIN = 12 V, VOUT = 1.2 V, IOUT = 8 A | 90.3% | |||
| TA | Operating temperature | 25 | ºC | |||
The external components selection is a simple process using D-CAP3 mode. Select the external components using the following steps.
The switching frequency is configured through PMBus, see Table 4.
Select the operation mode using Table 3.
Determine the inductance value to set the ripple current at approximately ¼ to ½ of the maximum output current. Larger ripple current increases output ripple voltage, improves signal-to-noise ratio, and helps to stabilize operation.

The inductor requires a low DCR to achieve good efficiency. The inductor also requires enough room above peak inductor current before saturation. The peak inductor current is estimated using Equation 7.

The output capacitor selection is determined by output ripple and transient requirement. When operating in CCM, the output ripple has two components as shown in Equation 8. Equation 9 and Equation 10 define these components.



The output voltage is programmed by the voltage-divider resistors, R1 and R2, shown in Equation 11. Connect R1 between the VFB pin and the output, and connect R2 between the VFB pin and GND. The recommended R2 value is from 1 kΩ to 20 kΩ. Determine R1 using Equation 11.

| fSW = 500 kHz | FCCM |
| VIN = 12 V |
| fSW = 500 kHz | VOUT = 1.2 V |
| ILOAD = 0 A |
| ILOAD = 8 A |
| ILOAD from 0 A to 8 A | Div = 2 A/µs |
| fSW = 500 kHz | VOUT = 1.2 V |
| IOUT = 0 A |
| ILOAD = 8 A |
| ILOAD from 0 A to 8 A | Div = 2 A/µs |