SLVS928B March 2009 – August 2014 TPD4S012
UNLESS OTHERWISE NOTED, this document contains PRODUCTION DATA.
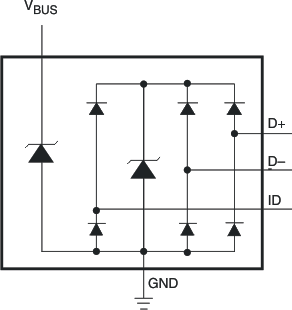
The TPD4S012 is a four-channel Transient Voltage Suppressor (TVS) based Electrostatic Discharge (ESD) protection diode array for USB chargers and USB On-The-Go (OTG) interfaces.
The TPD4S012 provides IEC 61000-4-2 system level ESD Protection featuring 15 V tolerance on the VBUS line. The device is ideal for providing circuit protection for USB charger and OTG applications due to its high-voltage tolerance at the VBUS line and small flow-through package.

Integrated ESD Clamps on the D+, D–, VBUS, and ID pins provide single-chip ESD protection for USB High Speed, USB-OTG, and USB charger interfaces.
D+, D– and ID USB Signal pins have low capacitance (0.8 pF Typ).
The VBUS line has a 11 pF (Typ) capacitance.
The low capacitance (0.8 pF Typ) of the data lines supports speeds in excess of 480 Mbps.
IEC 61000-4-2 (Level 4 contact) system level ESD compliance measured at the D+, D– and ID pins is rated for ±10 kV contact and air-gap discharge.
IEC 61000-4-5 system level surge compliance measured at D+, D–, ID, and VBUS pins rated to 3 A of peak pulse current.
The TPD4S012 is a passive integrated circuit that triggers when voltages are above VBR or below the lower diode's Vf. During ESD events, voltages as high as ±10 kV (contact) can be directed to ground via the internal diode network. Once the voltages on the protected line fall below the trigger levels of TPD4S012 (usually within 10's of nano-seconds), the device reverts to passive.