ZHCSNX2 July 2021 TMUX1248
PRODUCTION DATA
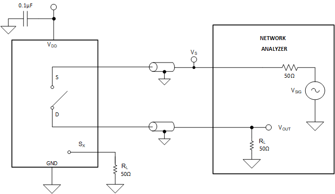
Off isolation is defined as the ratio of the signal at the drain pin (D) of the device when a signal is applied to the source pin (Sx) of an off-channel. Figure 7-7 shows the setup used to measure, and the equation used to calculate off isolation.
Figure 7-7 Off Isolation Measurement Setup