ZHCSK56A August 2019 – July 2020 TMUX1208-Q1
PRODUCTION DATA
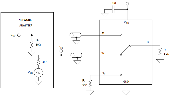
Crosstalk is defined as the ratio of the signal at the drain pin (D) of a different channel, when a signal is applied at the source pin (Sx) of an on-channel. Figure 7-9 shows the setup used to measure, and the equation used to compute crosstalk.
Figure 7-9 Channel-to-Channel Crosstalk Measurement Setup