ZHCSLV0E September 2022 – July 2025 TLV1811 , TLV1812 , TLV1814 , TLV1821 , TLV1822 , TLV1824
PRODMIX
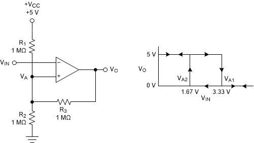
具有遲滯功能的反相比較器需要一個以比較器電源電壓 (VCC) 為基準的三電阻器網(wǎng)絡,如圖 8-3 所示。
圖 8-3 采用反相配置且具有遲滯功能的 TLV181x輸出為高電平和低電平時的等效電阻器網(wǎng)絡如圖 8-3 所示。
圖 8-4 反相配置電阻器等效網(wǎng)絡當 VIN 小于 VA 時,輸出電壓為高電平(為簡單起見,假設 VO 切換至與 VCC 一樣高)。三電阻器網(wǎng)絡可以表示為 R1 || R3 與 R2 串聯(lián),如圖 8-4 所示。
下面的方程式 1 定義了從高電平轉(zhuǎn)換到低電平的跳變電壓 (VA1)。

當 VIN 大于 VA 時,輸出電壓較低。在這種情況下,三電阻器網(wǎng)絡可以表示為 R2 || R3 與 R1 串聯(lián),如方程式 2 所示。
使用方程式 2 定義從低電平轉(zhuǎn)換到高電平的跳變電壓 (VA2)。

方程式 3 定義了網(wǎng)絡提供的總遲滯。
