ZHCSND7 September 2022 SN6507-Q1
PRODUCTION DATA
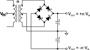
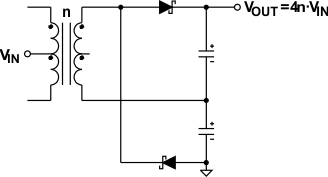
The device can drive push-pull converters that provide doubling output voltages, or bipolar outputs with different rectifier topologies . Figure 9-7 to Figure 9-9 show some of these topologies together with their respective open-circuit output voltages.


