SNOSA83I August 2003 – August 2014 LMH6723 , LMH6724
PRODUCTION DATA.



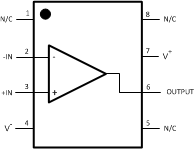
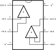
| PIN | I/O | DESCRIPTION | |||
|---|---|---|---|---|---|
| NAME | NUMBER | ||||
| LMH6723 (DBV) |
LMH6723 (D08A) |
LMH6724 (D08A) |
|||
| -IN | 4 | 2 | I | Inverting Input | |
| +IN | 3 | 3 | I | Non-inverting Input | |
| -IN A | 2 | I | ChA Inverting Input | ||
| +IN A | 3 | I | ChA Non-inverting Input | ||
| -IN B | 6 | I | ChB Inverting Input | ||
| +IN B | 5 | I | ChB Non-inverting Input | ||
| N/C | 1,5,8 | – | – | ||
| OUT A | 1 | O | ChA Output | ||
| OUT B | 7 | O | ChB Output | ||
| OUTPUT | 1 | 6 | O | Output | |
| V - | 2 | 4 | 4 | I | Negative Supply |
| V+ | 5 | 7 | 8 | I | Positive Supply |