SNOS957H April 2001 – August 2014 LMH6672
PRODUCTION DATA.

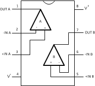
| PIN | I/O | DESCRIPTION | |
|---|---|---|---|
| NUMBER | NAME | ||
| 1 | OUT A | O | ChA Output |
| 2 | -IN A | I | ChA Inverting Input |
| 3 | +IN A | I | ChA Non-inverting Input |
| 4 | V- | I | Negative Supply |
| 5 | +IN B | I | ChB Non-inverting Input |
| 6 | -IN B | I | ChB Inverting Input |
| 7 | OUT B | O | ChB Output |
| 8 | V+ | I | Positive Supply |