SNOSA35G August 2002 – July 2015 LMH6657 , LMH6658
PRODUCTION DATA.


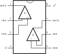
| PIN | I/O | DESCRIPTION | ||
|---|---|---|---|---|
| NAME | NO. | |||
| SOT-23 AND SC70 |
SOIC AND VSSOP | |||
| OUTPUT | 1 | — | O | Output |
| –IN | 4 | — | I | Inverting input |
| +IN | 3 | — | I | Noninverting input |
| OUT A | — | 1 | O | Output A |
| –IN A | — | 2 | I | Inverting input A |
| +IN A | — | 3 | I | Noninverting input A |
| V– | 2 | 4 | I | Negative Supply |
| OUT B | — | 7 | O | Output B |
| –IN B | — | 6 | I | Inverting input channel B |
| +IN B | — | 5 | I | Noninverting input channel B |
| V+ | 5 | 8 | I | Positive supply |