SNOS956E June 2001 – August 2014 LMH6654 , LMH6655
PRODUCTION DATA.



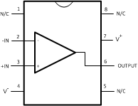
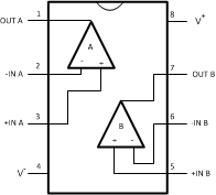
| PIN | I/O | DESCRIPTION | ||||
|---|---|---|---|---|---|---|
| NAME | LMH6654 | LMH6655 | ||||
| DBV | D | DGK | ||||
| -IN | 4 | 2 | I | Inverting Input | ||
| +IN | 3 | 3 | I | Non-inverting Input | ||
| -IN A | 2 | I | ChA Inverting Input | |||
| +IN A | 3 | I | ChA Non-inverting Input | |||
| -IN B | 6 | I | ChB Inverting Input | |||
| +IN B | 5 | I | ChB Non-inverting Input | |||
| N/C | 1, 5, 8 | –– | No Connection | |||
| OUT A | 1 | O | ChA Output | |||
| OUT B | 7 | O | ChB Output | |||
| OUTPUT | 1 | 6 | O | Output | ||
| V- | 2 | 4 | 4 | I | Negative Supply | |
| V+ | 5 | 7 | 8 | I | Positive Supply | |