ZHCSCS5C January 2012 – September 2014 LMH6642Q-Q1 , LMH6643Q-Q1
PRODUCTION DATA.


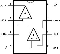
| PIN | I/O | DESCRIPTION | ||
|---|---|---|---|---|
| NAME | NUMBER | |||
| LMH6642Q | LMH6643Q | |||
| -IN | 4 | I | Inverting Input | |
| +IN | 3 | I | Non-inverting Input | |
| -IN A | 2 | I | ChA Inverting Input | |
| +IN A | 3 | I | ChA Non-inverting Input | |
| -IN B | 6 | I | ChB Inverting Input | |
| +IN B | 5 | I | ChB Non-inverting Input | |
| OUT A | 1 | O | ChA Output | |
| OUT B | 7 | O | ChB Output | |
| OUTPUT | 1 | O | Output | |
| V- | 2 | 4 | I | Negative Supply |
| V+ | 5 | 8 | I | Positive Supply |