SNOS966Q May 2001 – September 2014 LMH6642 , LMH6643 , LMH6644
PRODUCTION DATA.




| PIN | I/O | DESCRIPTION | ||||
|---|---|---|---|---|---|---|
| NAME | LMH6642 | LMH6643 | LMH6644 | |||
| DBV05A | D08A | DGK08A | D14A and PW14A | |||
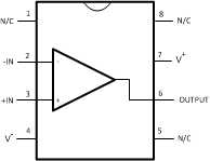
| -IN | 4 | 2 | I | Inverting Input | ||
| +IN | 3 | 3 | I | Non-inverting Input | ||
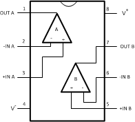
| -IN A | 2 | 2 | I | ChA Inverting Input | ||
| +IN A | 3 | 3 | I | ChA Non-inverting Input | ||
| -IN B | 6 | 6 | I | ChB Inverting Input | ||
| +IN B | 5 | 5 | I | ChB Non-inverting Input | ||
| -IN C | 9 | I | ChC Inverting Input | |||
| +IN C | 10 | I | ChC Non-inverting Input | |||
| -IN D | 13 | I | ChD Inverting Input | |||
| +IN D | 12 | I | ChD Non-inverting Input | |||
| N/C | 1,5,8 | –– | No connection | |||
| OUT A | 1 | 1 | O | ChA Output | ||
| OUT B | 7 | 7 | O | ChB Output | ||
| OUT C | 8 | O | ChC Output | |||
| OUT D | 14 | O | ChD Output | |||
| OUTPUT | 1 | 6 | O | Output | ||
| V- | 2 | 4 | 4 | 11 | I | Negative Supply |
| V+ | 5 | 7 | 8 | 4 | I | Positive Supply |