ZHCSLY9A October 2020 – December 2020 LM7310
PRODUCTION DATA
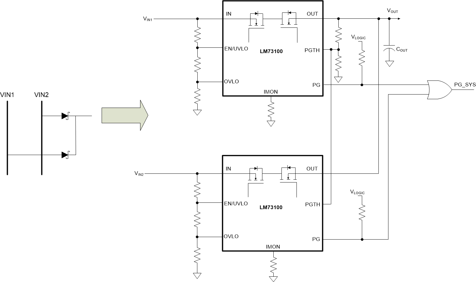
A typical redundant power supply configuration is shown in Figure 8-7 below. Schottky ORing diodes have been popular for connecting parallel power supplies, such as parallel operation of wall adapter with a battery or a hold-up storage capacitor. Similar ORing requirements can be seen in end equipements such as PC, Notebook, Docking stations, Monitors etc.. which can take power from multiple USB ports and/or power adapter. The disadvantage of using ORing diodes is high voltage drop and associated power loss. The LM73100 with integrated, low-ohmic, back-to-back FETs provides a simple and efficient solution. Figure below shows the Active ORing implementation using the devices.
Figure 8-7 Two Devices, Active ORing
ConfigurationThe linear ORing mechanism in LM73100 ensures that there's no reverse current flowing from one power source to the other during fast or slow ramp of either supply.
The following waveforms illustrate the active ORing behavior.

| VIN1 = 12 V, ROUT = 25 Ω, COUT = 440 μF, IN2 stepped up to 13 V and then ramped down |

| VIN1 = 12 V, ROUT = 25 Ω, COUT = 440 μF, IN2 stepped up to 13 V and then ramped down |
When bus voltages (IN1 and IN2) are matched, device in each rail sees a forward voltage drop and is ON delivering the load current. During this period, current is shared between the rails in the ratio of differential voltage drop across each device.
In addition to supply ORing, the devices protect the system from overvoltage, excessive inrush current and transient overcurrent events during steady state.