ZHCSN39A February 2020 – November 2021 LM61480 , LM61495 , LM62460
PRODUCTION DATA
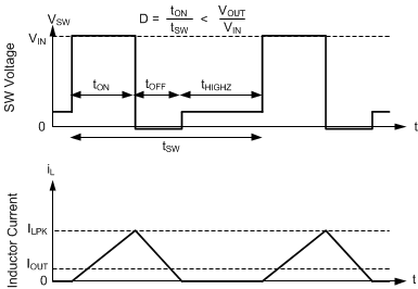
Diode emulation prevents reverse current though the inductor, which requires a lower frequency needed to regulate given a fixed peak inductor current. Diode emulation also limits ripple current as frequency is reduced. Frequency will be reduced when peak inductor current goes below IPEAK-MIN. With a fixed peak current, as output current is reduced to zero, frequency must be reduced to near zero to maintain regulation.

The LM6x4xx has a minimum peak inductor current setting in auto mode. That being said, when current is reduced to a low value with fixed input voltage, on-time is constant. Regulation is then achieved by adjusting frequency . This mode of operation is called PFM mode regulation.