ZHCSL19C May 2019 – June 2021 LM61440
PRODUCTION DATA
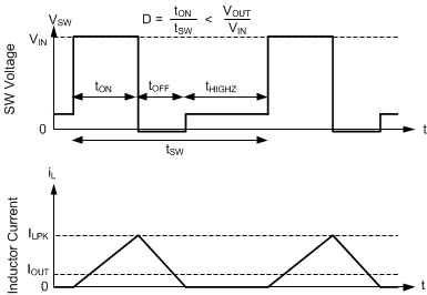
Diode emulation prevents reverse current through the inductor which requires a lower frequency needed to regulate given a fixed peak inductor current. Diode emulation also limits ripple current as frequency is reduced. With a fixed peak current, as output current is reduced to zero, frequency must be reduced to near zero to maintain regulation.

The device has a minimum peak inductor current setting while in auto mode.Once current is reduced to a low value with fixed input voltage, on-time is constant. Regulation is then achieved by adjusting frequency. This mode of operation is called PFM mode regulation.