ZHCSNW4 October 2022 LM5012-Q1
PRODUCTION DATA
| VOUT = 12 V | RON = 102 kΩ | LO = 22 μH |

| VOUT = 12 V | RON = 102 kΩ | LO = 22 μH |

| VIN = 48 V | VOUT = 12 V | IOUT = 0 A |

| VIN = 48 V | VOUT 12 V | Load = 0 A to Short |

| VIN = 48 V | VOUT = 12 V | IOUT = 2.5 A |

| VIN = 48 V | VOUT = 12 V | IOUT = 3.5 A (LM5013-Q1) |

| VOUT = 12 V | RON = 102 kΩ | LO = 22 μH |

| VIN = 48 V | VOUT = 12 V | IOUT
= 1.0-A to 2.5-A (Rise/fall time = 1A/uS) |

| VIN = 48 V | VOUT 12 V | Load = 0 A to Short |

| VIN = 48 V | VOUT 12 V | IOUT = 200 mA |

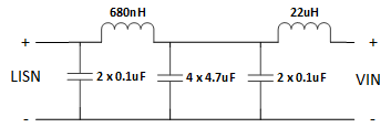
| Filter used for EMC scan. Additionally, the regulator was housed in an enclosed shield. |