SNVS405G December 2005 – April 2015 LM3674
PRODUCTION DATA.
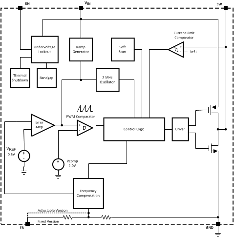
The LM3674, a high-efficiency, step-down, DC-DC switching buck converter, delivers a constant voltage from a single Li-Ion battery and input voltage rails from 2.7 V to 5.5 V to portable devices such as cell phones and PDAs. Using a voltage mode architecture with synchronous rectification, the LM3674 has the ability to deliver up to 600 mA depending on the input voltage, output voltage, ambient temperature, and the inductor chosen.
Additional features include soft-start, undervoltage protection, current overload protection, and thermal overload protection. As shown in Typical Application Circuit, only three external power components, CIN, COUT, and L1, are required for implementation.
The part uses an internal reference voltage of 0.5 V. It is recommended to keep the part in shutdown mode until the input voltage is 2.7 V or higher.

During the first portion of each switching cycle, the control block in the LM3674 turns on the internal PFET switch. This allows current to flow from the input through the inductor to the output filter capacitor and load. The inductor limits the current to a ramp with a slope of:

by storing energy in a magnetic field. During the second portion of each cycle, the controller turns the PFET switch off, blocking current flow from the input, and then turns the NFET synchronous rectifier on. The inductor draws current from ground through the NFET to the output filter capacitor and load, which ramps the inductor current down with a slope of:

The output filter stores charge when the inductor current is high, and releases it when the inductor current is low, smoothing the voltage across the load.
The output voltage is regulated by modulating the PFET switch-on time to control the average current sent to the load. The effect is identical to sending a duty-cycle modulated rectangular wave formed by the switch and synchronous rectifier at the SW pin to a low-pass filter formed by the inductor and output filter capacitor. The output voltage is equal to the average voltage at the SW pin.
During PWM operation, the converter operates as a voltage-mode controller with input voltage feed-forward. This allows the converter to achieve excellent load and line regulation. The DC gain of the power stage is proportional to the input voltage. To eliminate this dependence, feed-forward inversely proportional to the input voltage is introduced.
While in PWM mode, the output voltage is regulated by switching at a constant frequency and then modulating the energy per cycle to control power to the load. At the beginning of each clock cycle, the PFET switch is turned on and the inductor current ramps up until the comparator trips and the control logic turns off the switch.
The current limit comparator can also turn off the switch in case the current limit of the PFET is exceeded. Then the NFET switch is turned on and the inductor current ramps down. The next cycle is initiated by the clock turning off the NFET and turning on the PFET.
Figure 18. PWM Operation
While in PWM mode, the LM3674 uses an internal NFET as a synchronous rectifier to reduce rectifier forward voltage drop and associated power loss. Synchronous rectification provides a significant improvement in efficiency whenever the output voltage is relatively low compared to the voltage drop across an ordinary rectifier diode.
A current limit feature allows the LM3674 to protect itself and external components during overload conditions. PWM mode implements current limiting using an internal comparator that trips at 1020 mA (typical). If the output is shorted to ground, then the device enters a timed current-limit mode where the NFET is turned on for a longer duration until the inductor current falls below a low threshold, ensuring inductor current has more time to decay, and thereby preventing runaway.
There are two modes of operation depending on the current required: Pulse Width Modulation (PWM) and shutdown. The device operates in PWM mode throughout the IOUT range. Shutdown mode turns off the device, offering the lowest current consumption (ISHUTDOWN = 0.01 µA, typical). Additional features include soft-start, undervoltage protection, and current overload protection.