ZHCSCB1 March 2014 LDC1041
PRODUCTION DATA.
Different sensing applications may have a different range of the resonance impedance Rp to measure. The LDC1041 measurement range of Rp is controlled by setting 2 registers – Rp_MIN and Rp_MAX. For a given application, Rp must never be outside the range set by these register values, otherwise the measured value will be clipped. For optimal sensor resolution, the range of Rp_MIN to Rp_MAX should not be unnecessarily large. The following procedure is recommended to determine the Rp_MIN and Rp_MAX register values.
Rp_MAX sets the upper limit of the LDC1041 resonant impedance input range.
Note that setting Rp_MAX to a value not listed in Table 4 can result in indeterminate behavior.
Rp_MIN sets the lower limit of the LDC1041 resonant impedance input range.
Note that setting Rp_MIN to a value not listed on Table 6 can result in indeterminate behavior. In addition, Rp_MIN powers on with a default value of 0x14 which must be set to a value from Table 6 prior to powering on the LDC.
Output data rate of LDC1041 depends on the sensor frequency, fsensor and 'Response Time' field in LDC Configuration register(Address:0x04).

The Filter capacitor is critical to the operation of the LDC1041. The capacitor should be low leakage, temperature stable, and it must not generate any piezoelectric noise (the dielectrics of many capacitors exhibit piezoelectric characteristics and any such noise is coupled directly through Rp into the converter). The optimal capacitance values range from 20pF to 100nF. The value of the capacitor is based on the time constant and resonating frequency of the LC tank.
If a ceramic capacitor is used, then a C0G (or NP0) grade dielectric is recommended; the voltage rating should be ≥10V. The traces connecting CFA and CFB to the capacitor should be as short as possible to minimize any parasitics.
For optimal performance, the chosen filter capacitor, connected between terminals CFA and CFB, needs to be as small as possible, but large enough such that the active filter does not saturate. The size of this capacitor depends on the time constant of the sense coil, which is given by L/Rs, (L=inductance, Rs=series resistance of the inductor at oscillation frequency). The larger this time constant, the larger filter capacitor is required. Hence, this time constant reaches its maximum when there is no target present in front of the sensing coil.
The following procedure can be used to find the optimal filter capacitance:
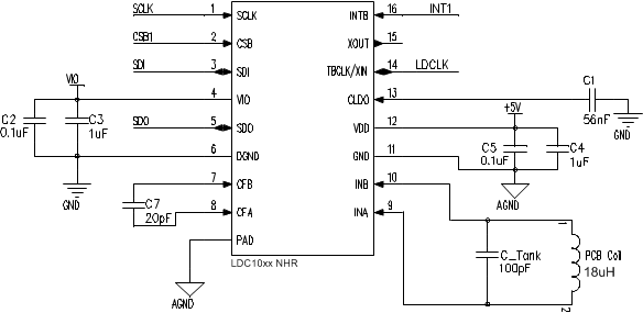
Figure 16. Typical Application Schematic, LDC10xx
For this design example, use the following as the input parameters.
| DESIGN PARAMETER | EXAMPLE VALUE |
|---|---|
| Minimum sensing distance | 1 mm |
| Maximum sensing distance | 8 mm |
| Output data rate | 78 KSPS (Max data rate with LDC10xx series) |
| Number of PCB layers for sensor | 2 layers |
In this example, consider a sensor with the below characteristics.
| PARAMETER | VALUE |
|---|---|
| Layers | 2 |
| Thickness of copper | 1 Oz |
| Coil shape | Circular |
| Number of turns | 23 |
| Trace thickness | 4 mil |
| Trace spacing | 4 mil |
| PCB core material | FR4 |
| Rp @ 1 mm | 5 kΩ |
| Rp @ 8 mm | 12.5 kΩ |
| Nominal Inductance | 18 µH |
Target material used is stainless steel
Sensor frequency depends on various factors in the application. In this example since one of the design parameter is to achieve output data rate of 78 KSPS, sensor frequency can be calculated as below.

With the lowest Response time of 192 and output data rate of 78 KSPS, sensor frequency calculated using the above formula is 4.99 MHz.
Now, using the below formula sensor capacitor is calculated to be 55 pF with a sensor inductance of 18 µH

Using the steps given in Choosing Filter Capacitor (CFA and CFB Terminals) filter capacitor for the example sensor is 20 pF. Below waveform shows the pattern on CFB pin with 100 pF and 20 pF filter capacitor.
Figure 17. Waveform On CFB With 100pf
Figure 18. Waveform On CFB With 20pf
Calculating value for Rp_MAX Register : Rp at 8mm is 12.5kΩ, 12500×2 = 25000. In Table 4, then 27.704 kΩ is the nearest value larger than 25kΩ; this corresponds to Rp_MAX value of 0x12
Calculating value for Rp_MIN Register : Rp at 1mm is 5kΩ, 5000/2 = 2500. In Table 6 , 2.394kΩ is the nearest value lower than 2.5kΩ; this corresponds to Rp_MIN value of 0x3B
Using,

N is 227.51, round off to 228 decimal. This value has to be written into Watchdog Timer Register, which is used to wake up the internal circuit when the sensor is saturated.
Figure 19. Rp vs Distance
Figure 20. Inductance vs Distance
Figure 21. Linear Position Sensing
Figure 22. Angular Position Sensing