ZHCSLX3C June 2017 – September 2020 FPC402
PRODUCTION DATA

| Host-Side I2C: 400 kHz | ||
| Port I2C: 100 kHz | ||
| Approximate time to read three bytes: 820 μs |
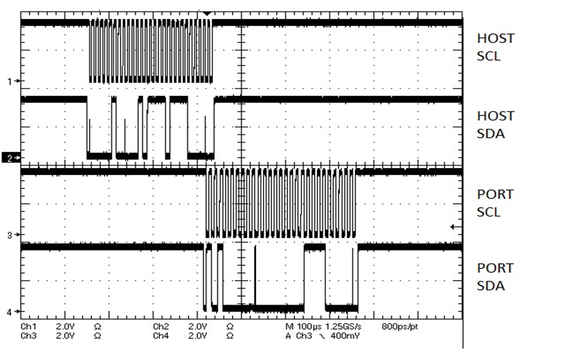
Figure 9-6 Interrupt-Driven Prefetch
| Host-Side I2C: 400 kHz | ||
| Port I2C: 100 kHz | ||
| Approximate time to read three bytes: 280 μs |
Figure 9-7 Scheduled Write Operation