ZHCSDZ7A January 2014 – June 2015 DS125DF111
PRODUCTION DATA.
| MIN | MAX | UNIT | |||
|---|---|---|---|---|---|
| Supply Voltage (VDD) | –0.5 | 2.75 | V | ||
| Supply Voltage (VIN) | –0.5 | 4 | V | ||
| LVCMOS Input/Output Voltage | –0.5 | 4 | V | ||
| 4-Level Input Voltage (2.5-V mode) | –0.5 | 2.75 | V | ||
| 4-Level Input Voltage (3.3-V mode) | –0.5 | 4 | V | ||
| SMBus Input/Output Voltage | –0.5 | 4 | V | ||
| CML Input Voltage | –0.5 | VDD + 0.5 | V | ||
| CML Input Current | –30 | 30 | mA | ||
| Storage temperature, Tstg | –40 | 125 | °C | ||
| VALUE | UNIT | |||
|---|---|---|---|---|
| V(ESD) | Electrostatic discharge | Human body model (HBM), per ANSI/ESDA/JEDEC JS-001, all pins(1) | ±3000 | V |
| Charged device model (CDM), per JEDEC specification JESD22-C101, all pins(2) | ±1500 | |||
| MIN | NOM(1) | MAX | UNIT | ||
|---|---|---|---|---|---|
| Supply Voltage | 2.5 V Mode | 2.375 | 2.5 | 2.625 | V |
| 3.3 V Mode | 3 | 3.3 | 3.6 | ||
| Ambient Temperature | –40 | 25 | +85 | °C | |
| SMBus (SDA, SCL) Pull-up Supply Voltage | 2.7 | 3.3 | 3.6 | V | |
| THERMAL METRIC(1) | DS125DF111 | UNIT | |
|---|---|---|---|
| RTW (WQFN) | |||
| 24 PINS | |||
| RθJA | Junction-to-ambient thermal resistance | 35 | °C/W |
| RθJC(top) | Junction-to-case (top) thermal resistance | 34 | °C/W |
| RθJB | Junction-to-board thermal resistance | 13.4 | °C/W |
| ψJT | Junction-to-top characterization parameter | 0.3 | °C/W |
| ψJB | Junction-to-board characterization parameter | 13.4 | °C/W |
| RθJC(bot) | Junction-to-case (bottom) thermal resistance | 3.3 | °C/W |
| PARAMETER | TEST CONDITIONS | MIN | TYP(1) | MAX | UNIT | |
|---|---|---|---|---|---|---|
| R_Baud | Input baud rate (primary VCO range) | Full Rate: DS125DF111 | 9.8 | 12.5 | Gbps | |
| R_Baud2 | Divide by 2 | Half Rate: DS125DF111 | 4.9 | 6.25 | Gbps | |
| R_Baud4 | Divide by 4 | Quarter Rate: DS125DF111 | 2.45 | 3.125 | Gbps | |
| R_Baud8 | Divide by 8 | Eighth Rate: DS125DF111 | 1.225 | 1.5625 | Gbps | |
| FSDC | SMBus Clock Rate | Slave Mode Clock Rate | 100 | 400 | kHz | |
| Master Mode Clock Rate | 280 | 400 | 520 | |||
| REFCLK | Reference Clock Rate | ± 100 ppm | 25 | MHz | ||
| DCREFCLK | Reference Clock Duty Cycle | 40% | 50% | 60% | ||
| POWER SUPPLY CURRENT | ||||||
| IDD | DS125DF111 Current Consumption (Whole Device) |
Average Supply Current, Default Settings, CHA and CHB Locked DFE Enabled |
175 | mA | ||
| Average Supply Current, CHA and CHB Locked Default Settings except DFE Disabled |
155 | mA | ||||
| Maximum Transient Supply Current Default Settings: CHA and CHB valid input signal detected CHA and CHB acquiring LOCK(2) |
294 | 333 | mA | |||
| NTps | Supply Noise Tolerance | 50 Hz to 100 Hz | 100 | mVp-p | ||
| 100 Hz to 10 MHz | 40 | mVp-p | ||||
| 10 MHz to 3.0 GHz | 10 | mVp-p | ||||
| LVCMOS (ADDR[1:0], READEN#, REFCLK_IN, DONE#, LOCK) | ||||||
| VIH | High level input voltage | 2.5 V or 3.3 V Supply Mode | 1.7 | VIN | V | |
| VIL | Low level input voltage | 2.5 V or 3.3 V Supply Mode | 0.7 | |||
| VOH1 | High level output voltage | IOH = -3 mA | 2 | VIN | V | |
| VOH2 | High level output voltage | IOH = –100 µA | VIN - 0.1 | |||
| VOL | Low level output voltage | IOL = 3 mA | 0.4 | |||
| IIN | Input leakage current | VINPUT = GND or VIN | –15 | 15 | µA | |
| 4-LEVEL INPUTS (ENSMB, DEMA, DEMB, LPBK, TX_DIS, VODA, VODB) | ||||||
| IIH-R | Input leakage current High | VINPUT = VIN | 80 | µA | ||
| IIL-R | Input leakage current Low | VINPUT = GND | –160 | µA | ||
| OPEN DRAIN (LOS/INT#) | ||||||
| VOL | Low level output voltage | IOL = 3 mA | 0.4 | V | ||
| SIGNAL DETECT | ||||||
| SDH | Signal Detect: ON Threshold Level |
Default level to assert Signal Detect, 12.5 Gbps, PRBS31 |
18 | mVp-p | ||
| SDL | Signal Detect: OFF Threshold Level |
Default level to de-assert Signal Detect, 12.5 Gbps, PRBS31 |
14 | mVp-p | ||
| CML RX INPUTS | ||||||
| R_Rd | DC Input differential Resistance | 80 | 100 | 120 | Ω | |
| RLRX-IN | Input Return-Loss | SDD11 10 MHz | –19 | dB | ||
| SDD11 2.0 GHz | –13 | |||||
| SDD11 6.0 - 11.1 GHz | -8 | |||||
| VRX-LAUNCH | Source Transmit Signal Level | Tx Launch amplitude of driver connected to DS125DF111 inputs(3) | 1600 | mVp-p | ||
| TRANSMIT JITTER SPECS(4) | ||||||
| TTJ | Total Jitter (@ BER = 1E-12) | PRBS7, 9.8304 Gbps | 7.5 | ps | ||
| TRJ | Random Jitter | PRBS7, 9.8304 Gbps | 0.33 | ps (RMS) | ||
| TDJ | Deterministic Jitter | PRBS7, 9.8304 Gbps | 3.6 | ps | ||
| CLOCK AND DATA RECOVERY | ||||||
| BWPLL | PLL Bandwidth -3 dB | Measured at 12.5 Gbps, 0.4 UI Sj Injection | 3.9 | MHz | ||
| JTOL | Total jitter tolerance | Jitter per SFF-8431 Appendix D.11 Combination of Dj, Pj, and Rj |
> 0.7 | UI | ||
| TLOCK1 | CDR Lock Time | Best Lock Time 9.8304 Gbps Adapt Mode 0 (Register 0x31[6:5]) CTLE Set - no Auto adapt Disable HEO/VEO Lock Monitor - (Register 0x3E[7]) HEO/VEO thresholds set to 0 - (Register 0x6A[7:0]) Rate/Subrate limited to single divide ratio. See Table 9 CDR Reset and Release - (Register 0x0A[3:2]) Signal Detect Preset and Release - Before input signal is present (Register 0x14[7:6]) |
1.3 | ms | ||
| TLOCK2 | CDR Lock Time | Standards Based, 9.8304 Gbps, Default settings(5) | 35 | ms | ||
| TEMPLOCK | CDR Lock | Lock Temperature Range –40°C to 85°C operating range |
125 | °C | ||
| MIN | NOM | MAX | UNIT | |||
|---|---|---|---|---|---|---|
| CML TX OUTPUTS | ||||||
| T_VDIFF0 | Output differential voltage | Default setting, 8T pattern | 400 | 550 | 675 | mVp-p |
| T_VDIFF7 | Output differential voltage | Maximum setting, 8T pattern Requires SMBus Control |
1000 | 1200 | mVp-p | |
| VOD_DE | De-emphasis Level | Maximum setting, VOD and DE Requires SMBus Control Input: 9.8304 Gbps, 16T pattern |
–12 | dB | ||
| T_Rd | DC Output Differential Resistance | 100 | Ω | |||
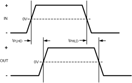
| TR/TF | Output Rise/Fall Time | Full Slew Rate (Channel Reg 0x18[2] = 0), minimum VOD 20% - 80%, See Figure 1. Input: 9.8304 Gbps, 8T Pattern |
36 | ps | ||
| TRS/TFS | Output Rise/Fall Time | Limited Slew Rate (Channel Reg 0x18[2] = 1), minimum VOD 20% - 80%, See Figure 1. Input: 9.8304 Gbps, 8T Pattern |
50 | ps | ||
| TSDD22 | Output differential mode return loss | SDD22 10 MHz - 2.0 GHz | –18 | dB | ||
| SDD22 5.5 GHz | –11 | |||||
| SDD22 6 - 11.1 GHz | –9 | |||||
| TPD | Propagation Delay | Retimed Data: 9.8304 Gbps, See Figure 2. |
1.5UI + 200ps | ps | ||
| TPD-RAW | Propagation Delay | Raw Data: 9.8304 Gbps, See Figure 2. |
200 | ps | ||
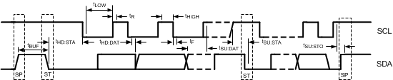
| SERIAL BUS INTERFACE CHARACTERISTICS(6) See Figure 3. | ||||||
| VIL | Data, Clock Input Low Voltage (SDA / SCL) |
0.8 | V | |||
| VIH | Data, Clock Input High Voltage (SDA / SCL) |
2.1 | 3.6 | V | ||
| VOL | Output Low Voltage | SDA or SCL, IOL = 1.25 mA | 0 | 0.36 | V | |
| TR | SDA Rise Time, Read Operation | SDA, RPU = 4.7 K, Cb < 50 pF | 140 | ns | ||
| TF | SDA Fall Time, Read Operation | SDA, RPU = 4.7 K, Cb < 50 pF | 60 | ns | ||
| TSU;DAT | Setup Time, Read Operation | 560 | ns | |||
| THD;DAT | Hold Time, Read Operation | 615 | ns | |||
| CIN | Input Capacitance | SDA or SCL | < 5 | pF | ||
| TR | SCL and SDA, Rise Time | 300 | ns | |||
| TF | SCL and SDA, Rise Time | 1000 | ns | |||
Figure 1. Differential Output Edge Rate
Figure 2. Differential Propagation Delay
Figure 3. SMBus Timing Diagram

| Test Conditions | ||
| Datarate: 10.3125 Gbps with a PRBS7 pattern | ||
| VOD Setting: 1000mV | ||
| Temperature: 25°C and VDD = 2.5V |

| Jitter Measurements | ||
| Rj (RMS): 315 fs | Dj: 3.74 ps | Tj (1E-12): 7.33 ps |