ZHCSDW7A May 2013 – June 2015 DS110DF111
PRODUCTION DATA.
| MIN | MAX | UNIT | |||
|---|---|---|---|---|---|
| Supply Voltage (VDD) | –0.5 | +2.75 | V | ||
| Supply Voltage (VIN) | –0.5 | +4.0 | V | ||
| LVCMOS Input/Output Voltage | –0.5 | +4.0 | V | ||
| 4-Level Input Voltage (2.5 V mode) | –0.5 | +2.75 | V | ||
| 4-Level Input Voltage (3.3 V mode) | –0.5 | 4.0 | V | ||
| SMBus Input/Output Voltage | –0.5 | 4.0 | V | ||
| CML Input Voltage | –0.5 | VDD + 0.5 | V | ||
| CML Input Current | –30 | +30 | mA | ||
| Storage Temperature Tstg | –40 | +125 | °C | ||
| VALUE | UNIT | ||
|---|---|---|---|
| ESD Rating(1) | HBM, STD - JESD22-A114F(2) | ±2500 | V |
| CDM, STD - JESD22-C101-D(3) | ±1000 | V | |
| MIN | NOM | MAX | UNIT | ||
|---|---|---|---|---|---|
| Supply Voltage | 2.5 V Mode | 2.375 | 2.5 | 2.625 | V |
| 3.3 V Mode | 3.0 | 3.3 | 3.6 | ||
| Ambient Temperature | –40 | 25 | +85 | °C | |
| SMBus (SDA, SCL) | 3.0 | 3.3 | 3.6 | V | |
| THERMAL METRIC(1) | DS110DF111 | UNIT | |
|---|---|---|---|
| WQFN (RTW) | |||
| 24 PINS | |||
| θJA | Junction-to-ambient thermal resistance | 35.0 | °C/W |
| RθJC(top) | Junction-to-case (top) thermal resistance | 34.0 | °C/W |
| RθJB | Junction-to-board thermal resistance | 13.4 | °C/W |
| ψJT | Junction-to-top characterization parameter | 0.3 | °C/W |
| ψJB | Junction-to-board characterization parameter | 13.4 | °C/W |
| RθJC(bot) | Junction-to-case (bottom) thermal resistance | 3.3 | °C/W |
| PARAMETER | TEST CONDITIONS | MIN | TYP | MAX | UNIT | |
|---|---|---|---|---|---|---|
| R_baud | Input baud rate | Full Rate: DS110DF111 | 8.5 | 11.3 | Gbps | |
| FSDC | SMBus Clock Rate | Slave Mode Clock Rate | 100 | 400 | kHz | |
| Master Mode Clock Rate | 280 | 400 | 520 | |||
| REFCLK | Clock Rate | ± 100 ppm | 25.0 | MHz | ||
| POWER SUPPLY CURRENT | ||||||
| IDD | Current Consumption (Whole Device) |
11.3 Gbps : DS110DF111 | 170 | mA | ||
| 11.3 Gbps : DS110DF111 DFE Disabled |
150 | mA | ||||
| Maximum Transient Supply Current Default Settings: CHA and CHB valid input signal detected CHA and CHB acquiring LOCK |
235 | 300 | mA | |||
| NTps | Supply Noise Tolerance | 50 Hz to 100 Hz | 100 | mVp-p | ||
| 100 Hz to 10 MHz | 40 | mVp-p | ||||
| 10 MHz to 5.0 GHz | 10 | mVp-p | ||||
| LVCMOS (LBK, READEN#, DONE#, LOCK) | ||||||
| VIH | High level input voltage | 2.5 V or 3.3 V Supply Modes | 1.7 | VIN | V | |
| VIL | Low level input voltage | 2.5 V or 3.3 V Supply Modes | 0.7 | |||
| VOH | High level output voltage | IOH = –3 mA | 2.0 | VIN | V | |
| VOL | Low level output voltage | IOL = 3 mA | 0.4 | |||
| IIN | Input leakage current | VINPUT = GND or VIN | –15 | +15 | μA | |
| 4-LEVEL INPUTS (ENSMB, DEMA, DEMB, TX_DIS, VODA, VODB) | ||||||
| IIN-R | Input leakage current | VINPUT = GND or VIN | –160 | +80 | μA | |
| OPEN DRAIN (LOS/INT#) | ||||||
| VOL | Low level output voltage | IOL = 3 mA | 0.4 | V | ||
| SIGNAL DETECT | ||||||
| SDH | Signal Detect: ON Threshold Level |
Default level to assert Signal Detect, 10.3125 Gbps |
20 | mVp-p | ||
| SDL | Signal Detect: OFF Threshold Level |
Default level to de-assert Signal Detect, 10.3125 Gbps |
15 | mVp-p | ||
| CML RX INPUTS | ||||||
| R_Rd | DC Input differential Resistance | 100 | Ω | |||
| RLRX-IN | Input Return-Loss | SDD11 10 MHz | –19 | dB | ||
| SDD11 2.0 GHz | –14 | |||||
| SDD11 6.0 - 11.1 GHz | –8 | |||||
| VRX-LAUNCH | Source Transmit Signal Level | 600 | 1600 | mVp-p | ||
| CML TX OUTPUTS | ||||||
| T_VDIFF0 | Output differential voltage | Default setting, PRBS31 | 400 | 550 | 675 | mVp-p |
| T_VDIFF7 | Output differential voltage | Maximum setting, PRBS31 Requires SMBus Control |
1000 | 1250 | mVp-p | |
| VOD_DE | De-emphasis Level | Maximum setting, VOD and DE Requires SMBus Control Input: 10.3125Gbps, 64T pattern |
–12 | dB | ||
| T_Rd | DC Output Differential Resistance | 100 | Ω | |||
| TR/TF | Output Rise/Fall Time | Full Slew Rate 20% - 80% Input: 10.3125 Gbps, 8T Pattern |
36 | ps | ||
| TRS/TFS | Output Rise/Fall Time | Limited Slew Rate (Reg 0x18) 20% - 80% Input: 10.3125 Gbps, 8T Pattern |
50 | ps | ||
| TSDD22 | Output differential mode return loss | SDD22 10 MHz - 2 GHz | –19 | dB | ||
| SDD22 5.5GHz | –15 | |||||
| SDD22 11.1GHz | –11 | |||||
| TPD | Propagation Delay | Retimed Data 10.3125 Gbps | 350 | ps | ||
| TPD-RAW | Propagation Delay | Raw Data | 200 | ps | ||
| TRANSMIT JITTER SPECS(1) | ||||||
| TTJ | Total Jitter (1E-12) | PRBS7, 10.3125 Gbps | 7.5 | ps | ||
| TRJ | Random Jitter | PRBS7, 10.3125 Gbps | 0.33 | ps (RMS) | ||
| TDJ | Deterministic Jitter | PRBS7, 10.3125 Gbps | 3.6 | ps | ||
| CLOCK AND DATA RECOVERY | ||||||
| BWPLL | PLL Bandwidth –3 dB | Measured at 10.3125 Gbps | 5 | MHz | ||
| JTOL | Total jitter tolerance | Jitter per SFF-8431 Appendix D.11 Combination of Dj, Pj, and Rj |
> 0.70 | UI | ||
| TLOCK1 | CDR Lock Time | Standards Based(2) | 10 - 30 | ms | ||
| TEMPLOCK | CDR Lock | Lock Temperature Range –40°C to 85°C operating range |
125 | °C | ||
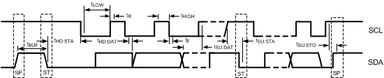
| SERIAL BUS INTERFACE CHARACTERISTICS(3) | ||||||
| VIL | Data, Clock Input Low Voltage (SDA / SCL) |
0.8 | V | |||
| VIH | Data, Clock Input High Voltage (SDA / SCL) |
2.1 | 3.6 | V | ||
| VHY | Input Hystersis | >50 | mV | |||
| VOL | Output Low Voltage | SDA or SCL, IOL = 1.25 mA | 0 | 0.36 | V | |
| IIN | Input Current | SDA or SCL, VINPUT = VIN, VDD, GND | –15 | +15 | μA | |
| TR | SDA Rise Time, Read Operation | SDA, RPU = 10K, Cb < 400 pF | 430 | ns | ||
| TF | SDA Fall Time, Read Operation | SDA, RPU = 10K, Cb < 400 pF | 20 | ns | ||
| TSU;DAT | Setup Time, Read Operation | 560 | ns | |||
| THD;DAT | Hold Time, Read Operation | 615 | ns | |||
| TSP | Input Filter | 50 | ns | |||
| CIN | Input Capacitance | SDA or SCL | < 5 | pF | ||
| RECOMMENDED TIMING FOR THE SERIAL BUS INTERFACE | ||||||
| FSCL | SCL Clock Frequency | 400 | kHz | |||
| TLOW | SCL Low Period | 1300 | ns | |||
| THIGH | SCL High Period | 600 | ns | |||
| THD;STA | Hold Time, Start Operation | 600 | ns | |||
| TSU;STA | Setup Time, Start Operation | 600 | ns | |||
| THD;DAT | Data Hold Time | 0 | 900 | ns | ||
| TSU;DAT | Data Set Up Time | 100 | ns | |||
| TSU;STO | Set Up Time, Stop Condition | 600 | ns | |||
| TBUF | Bus Free Time Between Stop - Start |
1300 | ns | |||
| TF | SCL and SDA, Fall Time | 300 | ns | |||
| TR | SCL and SDA, Rise Time | 1000 | ns | |||
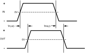
Figure 1. Output Edge Rate
Figure 2. Propagation Delay
Figure 3. SMBus Timing Diagram

| Test Conditions | ||
| Datarate: 10.3125 Gbps with a PRBS7 pattern | ||
| VOD Setting: 1000mV | ||
| Temperature: 25°C and VDD = 2.5V |

| Jitter Measurements | ||
| Rj (RMS): 315 fs | Dj: 3.74 ps | Tj (1E-12): 7.33 ps |