SLVSAC0F May 2010 – December 2015 DRV8841
PRODUCTION DATA.
NOTE
Information in the following applications sections is not part of the TI component specification, and TI does not warrant its accuracy or completeness. TI’s customers are responsible for determining suitability of components for their purposes. Customers should validate and test their design implementation to confirm system functionality.
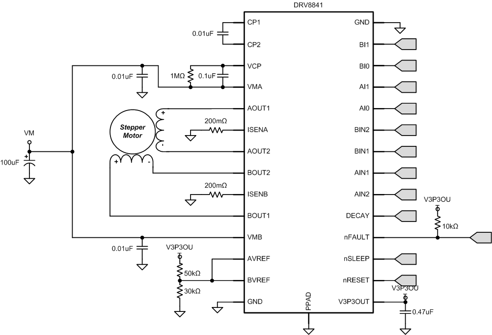
The DRV8841 can be used to control a bipolar stepper motor. The PWM interface controls the outputs and current control can be implemented with the internal current regulation circuitry. Detailed fault reporting is provided with the internal protection circuits and nFAULT pin.
Figure 7. Typical Application Schematic
Table 3 lists the design parameters for this design example.
| DESIGN PARAMETER | REFERENCE | EXAMPLE VALUE |
|---|---|---|
| Supply Voltage | VM | 24 V |
| Motor Winding Resistance | RL | 3.9 Ω |
| Motor Winding Inductance | IL | 2.9 mH |
| Sense Resistor Value | RSENSE | 200 mΩ |
| Target Full-Scale Current | IFS | 1.25 A |
In a stepper motor, the set full-scale current (IFS) is the maximum current driven through either winding. This quantity depends on the xVREF analog voltage and the sense resistor value (RSENSE). During stepping, IFS defines the current chopping threshold (ITRIP) for the maximum current step. The gain of DRV8841 is set for 5 V/V.

To achieve IFS = 1.25 A with RSENSE of 0.2 Ω, xVREF should be 1.25 V.
The DRV8841 supports three different decay modes: slow decay, fast decay, and mixed decay. The current through the motor windings is regulated using a fixed-frequency PWM scheme. This means that after any drive phase, when a motor winding current has hit the current chopping threshold (ITRIP), the DRV8841 will place the winding in one of the three decay modes until the PWM cycle has expired. Afterward, a new drive phase starts.
The blanking time, tBLANK, defines the minimum drive time for the current chopping. ITRIP is ignored during tBLANK, so the winding current may overshoot the trip level.
For optimal performance, it is important for the sense resistor to be:
The power dissipated by the sense resistor equals Irms2 × R. For example, if the rms motor current is 2-A and a 100-mΩ sense resistor is used, the resistor will dissipate 2 A2 × 0.1 Ω = 0.4 W. The power quickly increases with greater current levels.
Resistors typically have a rated power within some ambient temperature range, along with a derated power curve for high ambient temperatures. When a PCB is shared with other components generating heat, margin should be added. It is always best to measure the actual sense resistor temperature in a final system, along with the power MOSFETs, as those are often the hottest components.
Because power resistors are larger and more expensive than standard resistors, it is common practice to use multiple standard resistors in parallel, between the sense node and ground. This distributes the current and heat dissipation.
Figure 8. Start-Up
Figure 9. Current-Limiting