ZHCSOX2 January 2023 CSD95411
PRODUCTION DATA

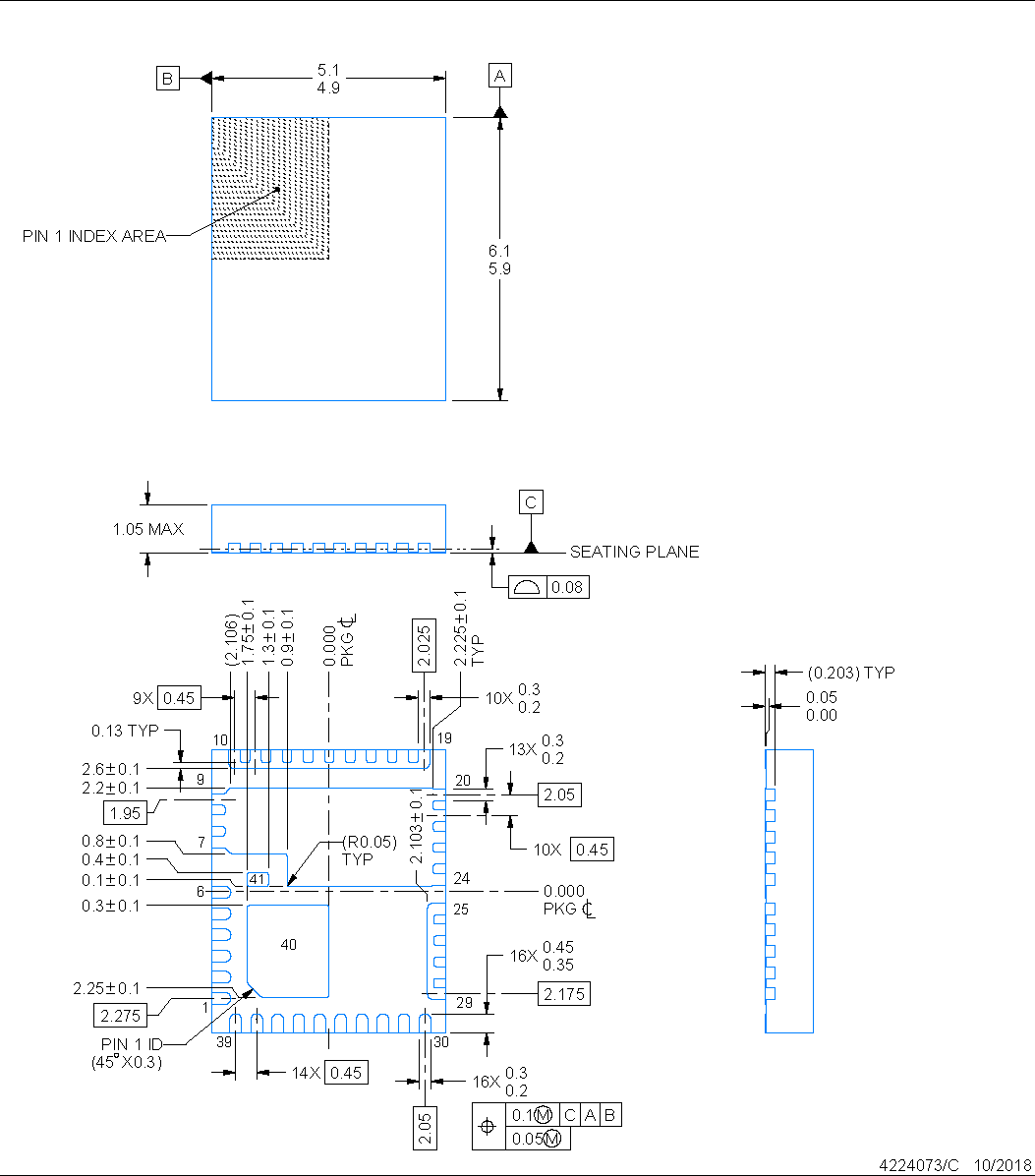
1. All linear dimensions are in millimeters. Any dimensions in parenthesis are for reference only. Dimensioning and tolerancing per ASME Y14.5M.
2. This drawing is subject to change without notice.
3. The package thermal pads must be soldered to the printed circuit board for optimal thermal and mechanical performance.