ZHCSAH3D march 2013 – september 2020 BQ51013B
PRODUCTION DATA
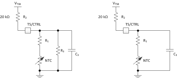
BQ51013B includes a ratiometric external temperature sense function. The temperature sense function has two ratiometric thresholds which represent a hot and cold condition. An external temperature sensor is recommended in order to provide safe operating conditions for the receiver product. This pin is best used for monitoring the surface that can be exposed to the end user (place the NTC resistor closest to where the user would physically contact the end product).
Figure 8-12 allows for any NTC resistor to be used with the given VHOT and VCOLD thresholds.
Figure 8-12 NTC Circuit Options For Safe Operation of the Wireless Receiver Power SupplyThe resistors R1 and R3 can be solved by resolving the system of equations at the desired temperature thresholds. The two equations are:
Where:

where
R2 is fixed at 20 kΩ. An example solution is provided:
where the chosen parameters are:
The plot of the percent VTSB vs. temperature is shown in Figure 8-13:
Figure 8-13 Example Solution for an NTC Resistor with RO = 10 kΩ and β = 3380Figure 8-14 illustrates the periodic biasing scheme used for measuring the TS state. An internal TS_READ signal enables the TS bias voltage (VTS-Bias) for 24 ms. During this period, the TS comparators are read (with tTS deglitch) and appropriate action is taken based on the temperature measurement. After this 24-ms period has elapsed, the TS_READ signal goes low, which causes the TS/CTRL pin to become high impedance. During the next 35 ms (priority packet period) or 235 ms (standard packet period), the TS voltage is monitored and compared to VCTRL-HI. If the TS voltage is greater than VCTRL-HI then a secondary device is driving the TS/CTRL pin and a CTRL = ‘1’ is detected.
Figure 8-14 Timing Diagram For TS Detection Circuit