ZHCSNY0B May 2020 – January 2023 BQ25798
PRODUCTION DATA
To improve the safety of charging Li-ion batteries, JEITA guideline was released on April 20, 2007. The guideline emphasized the importance of avoiding a high charge current and high charge voltage at certain low and high temperature ranges.
To initiate a charge cycle, the voltage on TS pin must be within the VT1 to VT5 thresholds. If TS voltage exceeds the VT1-VT5 range, the controller suspends charging and waits until the battery temperature is within the T1 to T5 range.
At cool temperature T1-T2, JEITA recommends to reduce the charge current to be lower than half of the charge current at normal temperature T2-T3. The device provides the programmability of the charge current at T1-T2, to be 20%, 40% or 100% of the charge current at T2-T3 or charge suspend, which is controlled by the register bits JEITA_ISETC.
The device provides the programmability of the charge voltage at T3-T5, to be with a voltage offset (0mV, 100mV or 200mV) less than charge voltage at T2-T3 or charge suspend, which is controlled by the register bits JEITA_VSET.
The charger also provides flexible voltage/current settings beyond the JEITA requirements. The charge current setting at warm temperature T3-T5 can be configured to be 20%, 40% or 100% of the charge current at T2-T3 or charge suspend, which is programmed by the register bits JEITA_ISETH.
The charge termination is still enabled (when EN_TERM=1) at cool temperature T1-T2 and warm temperature T3-T5. The termination current will be kept as the same in all different temperature ranges. In the normal operation, the charge will be terminated based on the charge current is lower than the termination current, the battery voltage is higher than the battery recharge voltage and the charger is in the battery voltage regulation loop. When the temperature enters T1-T2 or T3-T5, the charge current might drop to 20% or 40% of that at T2-T3, which might be lower than the termination current setting. If at this moment, the battery voltage is already higher than the battery recharge voltage and the charger is in the battery voltage regulation loop, the charge will be terminated.
At warm temperature T3-T5, the battery charge voltage will becomes lower. If the battery voltage is already very close to the battery charge voltage at T2-T3, to reduce the charge voltage by an offset might trigger the VBAT_OVP. The charger should response as the normal VBAT_OVP protection under this scenario.
At cool temperature T1-T2 or warm temperature T3-T5, the charge current will become different from that at the normal temperature range T2-T3, the safety timer should be adjusted accordingly. The safety timer will be suspended when the charge is suspended, and will run at half of the clock rate when the charge current is reduced to 20% or 40%, and will keep the same when the charge current is unchanged.
JEITA charging values are shown in #FIG_P2S_4QN_NNB, in which the blue real line is the default setting and the red dash line is the programmable options.
Figure 9-11 TS Charging ValuesThe NTC monitoring on the battery temperature can be ignored by the charger if TS_IGNORE = 1. When the TS pin feedback is ignored, the charger considers the TS is always good for charging and OTG modes. The TS_STAT including TS_COLD_STAT, TS_COOL_STAT, TS_WARM_STAT and TS_HOT_STAT, always report 000 with TS_IGNORE = 1.
When TS_IGNORE = 0, the charger adjusts the charging profile based on the TS pin feedback information. When the battery temperature crosses from one temperature range to the other one, the associated TS status bits are updated accordingly. The TS flag bits are set for the temperature range for which the TS voltage is reporting, and an INT pulse is asserted to alert the host if TS_MASK is low. The FLAG and INT pulse can be individually masked by properly setting the associated mask bit, to prevent the INT pulse from alerting the host of battery temperature range changes.
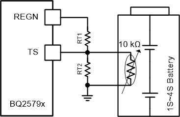
The typical TS resistor network is illustrated in #FIG_OYW_SQN_NNB.
Figure 9-12 TS Resistor NetworkAssuming a 103AT NTC thermistor on the battery pack, the value of TSR1 and TSR2 can be determined by:


where VT# are the percentages of V(REGN) per the electrical spec table. The BQ25798 provides comparators with fixed thresholds for VT1 x V(REGN) and VT5 x V(REGN), and comparators with programmable thresholds for VT2 x V(REGN) and VT3 x V(REGN). The thresholds for VT2 x V(REGN) and VT3 x V(REGN) are controlled by TS_COOL and TS_WARM. This programmability gives more flexibility for the configuration of the JEITA profile. Select T1=0°C and T5=60°C for Li-ion or Li-polymer battery, the RT1 and RT2 are calculated to be 5.24KΩ and 30.31KΩ respectively.