ZHCSDC0A May 2014 – January 2015 ADC34J22 , ADC34J23 , ADC34J24 , ADC34J25
PRODUCTION DATA.
Typical applications involving transformer-coupled circuits are discussed in this section. Transformers (such as ADT1-1WT or WBC1-1) can be used up to 250 MHz to achieve good phase and amplitude balances at ADC inputs. While designing the dc driving circuits, the ADC input impedance must be considered. Figure 200 and Figure 201 show the impedance (Zin = Rin || Cin) across the ADC input pins.
Figure 200. Differential Input Resistance, RIN
Figure 201. Differential Input Capacitance, CIN
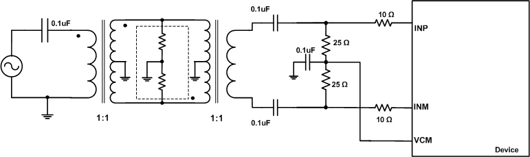
Figure 202. Driving Circuit for Low Input Frequencies
For optimum performance, the analog inputs must be driven differentially. An optional 5-Ω to 15-Ω resistor in series with each input pin can be kept to damp out ringing caused by package parasitics. The drive circuit may have to be designed to minimize the impact of kick-back noise generated by sampling switches opening and closing inside the ADC, as well as ensuring low insertion loss over the desired frequency range and matched impedance to the source.
A typical application using two back-to-back coupled transformers is illustrated in Figure 202. The circuit is optimized for low input frequencies. An external R-C-R filter using 50-Ω resistors and a 22-pF capacitor is used. With the series inductor (39 nH), this combination helps absorb the sampling glitches.
Figure 203 shows the performance obtained by using the circuit shown in Figure 202.

| fS = 160 MSPS | SNR = 70.3 dBFS | |||
| fIN = 10 MHz | SFDR = 84 dBc |
Figure 204. Driving Circuit for Mid-Range Input Frequencies (100 MHz < fIN < 230 MHz)
See the Design Requirements section for further details.
When input frequencies are between 100 MHz to 230 MHz, an R-LC-R circuit can be used to optimize performance, as shown in Figure 204.
Figure 205 shows the performance obtained by using the circuit shown in Figure 204.

| fS = 160 MSPS | SNR = 67.9 dBFS | |||
| fIN = 170 MHz | SFDR = 84.1 dBc |
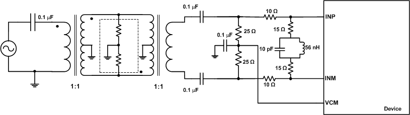
Figure 206. Driving Circuit for High Input Frequencies (fIN > 230 MHz)
See the Design Requirements section for further details.
For high input frequencies (> 230 MHz), using the R-C-R or R-LC-R circuit does not show significant improvement in performance. However, a series resistance of 10 Ω can be used as shown in Figure 206.
Figure 207 shows the performance obtained by using the circuit shown in Figure 206.

| fS = 160 MSPS | SNR = 63.1 dBFS | |||
| fIN = 450 MHz | SFDR = 73 dBc |