SNAS518J July 2011 – July 2015 ADC12D1800RF
PRODUCTION DATA.
| MIN | MAX | UNIT | ||
|---|---|---|---|---|
| Supply Voltage (VA, VTC, VDR, VE) | 2.2 | V | ||
| Supply Difference max(VA/TC/DR/E)- min(VA/TC/DR/E) |
0 | 100 | mV | |
| Voltage on Any Input Pin (except VIN±) |
−0.15 | (VA + 0.15) | V | |
| VIN± Voltage Range | –0.5 | 2.5 | V | |
| Ground Difference max(GNDTC/DR/E) -min(GNDTC/DR/E) |
0 | 100 | mV | |
| Input Current at Any Pin(3) | –50 | 50 | mA | |
| ADC12D1800RF Package Power Dissipation at TA ≤ 65°C(3) | 4.95 | W | ||
| Storage temperature, Tstg | –65 | 150 | °C | |
| VALUE | UNIT | |||
|---|---|---|---|---|
| V(ESD) | Electrostatic discharge | Human body model (HBM), per ANSI/ESDA/JEDEC JS-001, all pins(1) | ±2500 | V |
| Charged device model (CDM), per JEDEC specification JESD22-C101, all pins(2) | ±1000 | |||
| Machine model (MM) | ±250 | |||
| MIN | MAX | UNIT | ||
|---|---|---|---|---|
| TA | Ambient Temperature Range: ADC12D1800RF (Standard JEDEC thermal model) | –40 | 50 | °C |
| TA | Ambient Temperature Range: ADC12D1800RF (Enhanced thermal model / heatsink) | –40 | 50 | °C |
| TJ | Junction Temperature Range - applies only to maximum operating speed | 120 | °C | |
| Supply Voltage (VA, VTC, VE) | 1.8 | 2 | V | |
| Driver Supply Voltage (VDR) | 1.8 | VA | V | |
| VIN± Voltage Range(3) | –0.4 | 2.4 (d.c.-coupled) | V | |
| VIN± Differential Voltage Range(4) | 1.0 (d.c.-coupled at 100% duty cycle) 2.0 (d.c.-coupled a t20% duty cycle) 2.8 (d.c.-coupled at 10% duty cycle) |
V | ||
| VIN± Current Range(3) | –50 | 50 peak (a.c.-coupled) | mA | |
| VIN± Power | 15.3 (maintaining common mode voltage, a.c.-coupled) 17.1 (not maintaining common mode voltage, a.c.-coupled) |
dBm | ||
| Ground Difference max(GNDTC/DR/E) -min(GNDTC/DR/E) |
0 | V | ||
| CLK± Voltage Range | 0 | VA | V | |
| Differential CLK Amplitude VP-P | 0.4 | 2 | V | |
| Common Mode Input Voltage VCMI | VCMO - 150 | VCMO + 150 | mV | |
| THERMAL METRIC(1) | ADC12D1800RF | UNIT | |
|---|---|---|---|
| NXA | |||
| 292 PINS | |||
| RθJA | Junction-to-ambient thermal resistance | 16 | °C/W |
| RθJC(top) | Junction-to-case (top) thermal resistance | 2.9 | °C/W |
| RθJC(bot) | Junction-to-case (bottom) thermal resistance | 2.5 | °C/W |
| PARAMETER | TEST CONDITIONS | ADC12D1800RF | UNIT | ||
|---|---|---|---|---|---|
| TYP | LIM | ||||
| Resolution with No Missing Codes | TA = TMIN to TMAX, TJ < 105°C | 12 | bits | ||
| INL | Integral Non-Linearity (Best fit) |
1 MHz DC-coupled over-ranged sine wave | ±2.5 | LSB | |
| DNL | Differential Non-Linearity | 1 MHz DC-coupled over-ranged sine wave | ±0.4 | LSB | |
| VOFF | Offset Error | 5 | LSB | ||
| VOFF_ADJ | Input Offset Adjustment Range | Extended Control Mode | ±45 | mV | |
| PFSE | Positive Full-Scale Error | See (4), TA = TMIN to TMAX, TJ < 105°C | ±25 | mV | |
| NFSE | Negative Full-Scale Error | See (4), TA = TMIN to TMAX, TJ < 105°C | ±25 | mV | |
| Out-of-Range Output Code(5) | (VIN+) − (VIN−) > + Full Scale, TA = TMIN to TMAX, TJ < 105°C | 4095 | |||
| (VIN+) − (VIN−) < − Full Scale, TA = TMIN to TMAX, TJ < 105°C | 0 | ||||
| PARAMETER | TEST CONDITIONS | ADC12D1800RF | UNIT | |||
|---|---|---|---|---|---|---|
| MIN | TYP | MAX | ||||
| Bandwidth | Non-DES Mode, DESCLKIQ Mode | |||||
| -3 dB(2) | 2.7 | GHz | ||||
| -6 dB | 3.1 | GHz | ||||
| -9 dB | 3.5 | GHz | ||||
| -12 dB | 4.0 | GHz | ||||
| DESI Mode, DESQ Mode | ||||||
| -3 dB(2) | 1.2 | GHz | ||||
| -6 dB | 2.3 | GHz | ||||
| -9 dB | 2.7 | GHz | ||||
| -12 dB | 3.0 | GHz | ||||
| DESIQ Mode | ||||||
| -3 dB(2) | 1.75 | GHz | ||||
| -6 dB | 2.7 | GHz | ||||
| Gain Flatness | Non-DES Mode | |||||
| D.C. to Fs/2 | ±0.4 | dB | ||||
| D.C. to Fs | ±1.1 | dB | ||||
| D.C. to 3Fs/2 | ±1.7 | dB | ||||
| D.C. to 2Fs | ±5.7 | dB | ||||
| DESI, DESQ Mode | ||||||
| D.C. to Fs/2 | ±2.7 | dB | ||||
| D.C. to Fs | ±9.2 | dB | ||||
| DESIQ Mode | ||||||
| D.C. to Fs/2 | ±1.6 | dB | ||||
| DESCLKIQ Mode | ||||||
| D.C. to Fs/2 | ±1.2 | dB | ||||
| CER | Code Error Rate | 10-18 | Error/ Sample |
|||
| IMD3 | 3rd order Intermodulation Distortion | DES Mode | ||||
| FIN = 2670 MHz ± 2.5MHz at -13 dBFS |
-75 | dBFS | ||||
| -62 | dBc | |||||
| FIN = 2070 MHz ± 2.5MHz at -13 dBFS |
-85 | dBFS | ||||
| -72 | dBc | |||||
| FIN = 2670 MHz ± 2.5MHz at -16 dBFS |
-80 | dBFS | ||||
| -64 | dBc | |||||
| FIN = 2070 MHz ± 2.5MHz at -16 dBFS |
-83 | dBFS | ||||
| -67 | dBc | |||||
| Noise Floor Density | 50Ω single-ended termination, DES Mode | -155.0 | dBm/Hz | |||
| -154.0 | dBFS/Hz | |||||
| NON-DES MODE(3)(4)(5) | ||||||
| ENOB | Effective Number of Bits | AIN = 125 MHz at -0.5 dBFS | 9.3 | bits | ||
| AIN = 248 MHz at -0.5 dBFS | 9.3 | bits | ||||
| AIN = 498 MHz at -0.5 dBFS | 8.4 | 9.3 | bits | |||
| AIN = 1147 MHz at -0.5 dBFS | 8.7 | bits | ||||
| AIN = 1448 MHz at -0.5 dBFS | 8.7 | bits | ||||
| SINAD | Signal-to-Noise Plus Distortion Ratio | AIN = 125 MHz at -0.5 dBFS | 57.7 | dB | ||
| AIN = 248 MHz at -0.5 dBFS | 57.7 | dB | ||||
| AIN = 498 MHz at -0.5 dBFS | 52.1 | 57.7 | dB | |||
| AIN = 1147 MHz at -0.5 dBFS | 54.1 | dB | ||||
| AIN = 1448 MHz at -0.5 dBFS | 54 | dB | ||||
| SNR | Signal-to-Noise Ratio | AIN = 125 MHz at -0.5 dBFS | 58.6 | dB | ||
| AIN = 248 MHz at -0.5 dBFS | 58.2 | dB | ||||
| AIN = 498 MHz at -0.5 dBFS | 52.9 | 58.1 | dB | |||
| AIN = 1147 MHz at -0.5 dBFS | 54.9 | dB | ||||
| AIN = 1448 MHz at -0.5 dBFS | 54.3 | dB | ||||
| THD | Total Harmonic Distortion | AIN = 125 MHz at -0.5 dBFS | -64.9 | dB | ||
| AIN = 248 MHz at -0.5 dBFS | -65.7 | dB | ||||
| AIN = 498 MHz at -0.5 dBFS | -67 | –60 | dB | |||
| AIN = 1147 MHz at -0.5 dBFS | -61.5 | dB | ||||
| AIN = 1448 MHz at -0.5 dBFS | -64.9 | dB | ||||
| 2nd Harm | Second Harmonic Distortion | AIN = 125 MHz at -0.5 dBFS | -68.8 | dBc | ||
| AIN = 248 MHz at -0.5 dBFS | -85.6 | dBc | ||||
| AIN = 498 MHz at -0.5 dBFS | -72.5 | dBc | ||||
| AIN = 1147 MHz at -0.5 dBFS | -81.2 | dBc | ||||
| AIN = 1448 MHz at -0.5 dBFS | -70.4 | dBc | ||||
| 3rd Harm | Third Harmonic Distortion | AIN = 125 MHz at -0.5 dBFS | -70.4 | dBc | ||
| AIN = 248 MHz at -0.5 dBFS | -67.5 | dBc | ||||
| AIN = 498 MHz at -0.5 dBFS | -69.8 | dBc | ||||
| AIN = 1147 MHz at -0.5 dBFS | -70.4 | dBc | ||||
| AIN = 1448 MHz at -0.5 dBFS | -73 | dBc | ||||
| SFDR | Spurious-Free Dynamic Range | AIN = 125 MHz at -0.5 dBFS | 68.1 | dBc | ||
| AIN = 248 MHz at -0.5 dBFS | 67 | dBc | ||||
| AIN = 498 MHz at -0.5 dBFS | 54 | 71.7 | dBc | |||
| AIN = 1147 MHz at -0.5 dBFS | 60 | dBc | ||||
| AIN = 1448 MHz at -0.5 dBFS | 61 | dBc | ||||
| DES MODE(3)(6)(4)(5) | ||||||
| ENOB | Effective Number of Bits | AIN = 125 MHz at -0.5 dBFS | 9 | bits | ||
| AIN = 248 MHz at -0.5 dBFS | 9 | bits | ||||
| AIN = 498 MHz at -0.5 dBFS | 9.1 | bits | ||||
| AIN = 1147 MHz at -0.5 dBFS | 8.6 | bits | ||||
| AIN = 1448 MHz at -0.5 dBFS | 8.6 | bits | ||||
| SINAD | Signal-to-Noise Plus Distortion Ratio | AIN = 125 MHz at -0.5 dBFS | 56 | dB | ||
| AIN = 248 MHz at -0.5 dBFS | 56 | dB | ||||
| AIN = 498 MHz at -0.5 dBFS | 56.5 | dB | ||||
| AIN = 1147 MHz at -0.5 dBFS | 53.6 | dB | ||||
| AIN = 1448 MHz at -0.5 dBFS | 53.6 | dB | ||||
| SNR | Signal-to-Noise Ratio | AIN = 125 MHz at -0.5 dBFS | 57.2 | dB | ||
| AIN = 248 MHz at -0.5 dBFS | 57.3 | dB | ||||
| AIN = 498 MHz at -0.5 dBFS | 57.3 | dB | ||||
| AIN = 1147 MHz at -0.5 dBFS | 54.7 | dB | ||||
| AIN = 1448 MHz at -0.5 dBFS | 54 | dB | ||||
| THD | Total Harmonic Distortion | AIN = 125 MHz at -0.5 dBFS | -62.1 | dB | ||
| AIN = 248 MHz at -0.5 dBFS | -61.6 | dB | ||||
| AIN = 498 MHz at -0.5 dBFS | -64 | dB | ||||
| AIN = 1147 MHz at -0.5 dBFS | -59.7 | dB | ||||
| AIN = 1448 MHz at -0.5 dBFS | -62.8 | dB | ||||
| 2nd Harm | Second Harmonic Distortion | AIN = 125 MHz at -0.5 dBFS | -82 | dBc | ||
| AIN = 248 MHz at -0.5 dBFS | -78.5 | dBc | ||||
| AIN = 498 MHz at -0.5 dBFS | -71.1 | dBc | ||||
| AIN = 1147 MHz at -0.5 dBFS | -76.9 | dBc | ||||
| AIN = 1448 MHz at -0.5 dBFS | -75.3 | dBc | ||||
| 3rd Harm | Third Harmonic Distortion | AIN = 125 MHz at -0.5 dBFS | -64.7 | dBc | ||
| AIN = 248 MHz at -0.5 dBFS | -62.5 | dBc | ||||
| AIN = 498 MHz at -0.5 dBFS | -71.4 | dBc | ||||
| AIN = 1147 MHz at -0.5 dBFS | -60.4 | dBc | ||||
| AIN = 1448 MHz at -0.5 dBFS | -65.8 | dBc | ||||
| SFDR | Spurious-Free Dynamic Range | AIN = 125 MHz at -0.5 dBFS | 64.2 | dBc | ||
| AIN = 248 MHz at -0.5 dBFS | 62.4 | dBc | ||||
| AIN = 498 MHz at -0.5 dBFS | 68.1 | dBc | ||||
| AIN = 1147 MHz at -0.5 dBFS | 60.3 | dBc | ||||
| AIN = 1448 MHz at -0.5 dBFS | 63.6 | dBc | ||||
| PARAMETER | TEST CONDITIONS | ADC12D1800RF | UNIT | |||
|---|---|---|---|---|---|---|
| MIN | TYP | MAX | ||||
| ANALOG INPUTS | ||||||
| VIN_FSR | Analog Differential Input Full Scale Range | Non-Extended Control Mode | ||||
| FSR Pin High | 740 | 800 | 860 | mVP-P | ||
| Extended Control Mode | ||||||
| FM(14:0) = 4000h (default) | 800 | mVP-P | ||||
| FM(14:0) = 7FFFh | 1000 | mVP-P | ||||
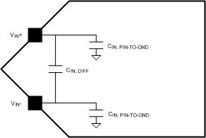
| CIN | Analog Input Capacitance, Non-DES Mode(2)(1) |
Differential | 0.02 | pF | ||
| Each input pin to ground | 1.6 | pF | ||||
| Analog Input Capacitance, DES Mode(2)(1) |
Differential | 0.08 | pF | |||
| Each input pin to ground | 2.2 | pF | ||||
| RIN | Differential Input Resistance | 91 | 100 | 109 | Ω | |
| COMMON MODE OUTPUT | ||||||
| VCMO | Common Mode Output Voltage | ICMO = ±100 µA | 1.15 | 1.25 | 1.35 | V |
| TC_VCMO | Common Mode Output Voltage Temperature Coefficient | ICMO = ±100 µA(3) | 38 | ppm/°C | ||
| VCMO_LVL | VCMO input threshold to set DC-coupling Mode |
See (3) | 0.63 | V | ||
| CL_VCMO | Maximum VCMO Load Capacitance | See (2) | 80 | pF | ||
| BANDGAP REFERENCE | ||||||
| VBG | Bandgap Reference Output Voltage | IBG = ±100 µA | 1.15 | 1.25 | 1.35 | V |
| TC_VBG | Bandgap Reference Voltage Temperature Coefficient | IBG = ±100 µA(3) | 32 | ppm/°C | ||
| CL_VBG | Maximum Bandgap Reference load Capacitance | See (2) | 80 | pF | ||
| PARAMETER | TEST CONDITIONS | ADC12D1800RF | UNIT | ||
|---|---|---|---|---|---|
| TYP | LIM | ||||
| Offset Match | See (1) | 2 | LSB | ||
| Positive Full-Scale Match | Zero offset selected in Control Register |
2 | LSB | ||
| Negative Full-Scale Match | Zero offset selected in Control Register |
2 | LSB | ||
| Phase Matching (I, Q) | fIN = 1.0 GHz(1) | < 1 | Degree | ||
| X-TALK | Crosstalk from I-channel (Aggressor) to Q-channel (Victim) | Aggressor = 867 MHz F.S. Victim = 100 MHz F.S. |
−70 | dB | |
| Crosstalk from Q-channel (Aggressor) to I-channel (Victim) | Aggressor = 867 MHz F.S. Victim = 100 MHz F.S. |
−70 | dB | ||
| PARAMETER | TEST CONDITIONS | ADC12D1800RF | UNIT | |||
|---|---|---|---|---|---|---|
| MIN | TYP | MAX | ||||
| VIN_CLK | Differential Sampling Clock Input Level(1) | Sine Wave Clock Differential Peak-to-Peak |
0.4 | 0.6 | 2.0 | VP-P |
| Square Wave Clock Differential Peak-to-Peak |
0.4 | 0.6 | 2.0 | VP-P | ||
| CIN_CLK | Sampling Clock Input Capacitance(2) | Differential | 0.1 | pF | ||
| Each input to ground | 1 | pF | ||||
| RIN_CLK | Sampling Clock Differential Input Resistance | See (1) | 100 | Ω | ||
| PARAMETER | TEST CONDITIONS | ADC12D1800RF | UNIT | ||
|---|---|---|---|---|---|
| TYP | LIM | ||||
| VIN_RCLK | Differential RCLK Input Level(1) | Differential Peak-to-Peak | 360 | mVP-P | |
| CIN_RCLK | RCLK Input Capacitance(1) | Differential | 0.1 | pF | |
| Each input to ground | 1 | pF | |||
| RIN_RCLK | RCLK Differential Input Resistance | See (1) | 100 | Ω | |
| IIH_RCLK | Input Leakage Current; VIN = VA |
22 | µA | ||
| IIL_RCLK | Input Leakage Current; VIN = GND |
-33 | µA | ||
| VO_RCOUT | Differential RCOut Output Voltage | 360 | mV | ||
| PARAMETER | TEST CONDITIONS | ADC12D1800RF | UNIT | |||
|---|---|---|---|---|---|---|
| MIN | TYP | MAX | ||||
| DIGITAL CONTROL PINS (DES, CalDly, CAL, PDI, PDQ, TPM, NDM, FSR, DDRPh, ECE, SCLK, SDI, SCS) | ||||||
| VIH | Logic High Input Voltage | 0.7×VA | 0.3×VA | V | ||
| VIL | Logic Low Input Voltage | |||||
| IIH | Input Leakage Current; VIN = VA |
0.02 | μA | |||
| IIL | Input Leakage Current; VIN = GND |
FSR, CalDly, CAL, NDM, TPM, DDRPh, DES | -0.02 | μA | ||
| SCS, SCLK, SDI | -17 | μA | ||||
| PDI, PDQ, ECE | -38 | μA | ||||
| CIN_DIG | Digital Control Pin Input Capacitance(2) | Measured from each control pin to GND | 1.5 | pF | ||
| DIGITAL OUTPUT PINS (Data, DCLKI, DCLKQ, ORI, ORQ) | ||||||
| VOD | LVDS Differential Output Voltage | VBG = Floating, OVS = High | 400 | 630 | 800 | mVP-P |
| VBG = Floating, OVS = Low | 230 | 460 | 630 | mVP-P | ||
| VBG = VA, OVS = High | 670 | mVP-P | ||||
| VBG = VA, OVS = Low | 500 | mVP-P | ||||
| ΔVO DIFF | Change in LVDS Output Swing Between Logic Levels | ±1 | mV | |||
| VOS | Output Offset Voltage(1) | VBG = Floating | 0.8 | V | ||
| VBG = VA | 1.2 | V | ||||
| ΔVOS | Output Offset Voltage Change Between Logic Levels | See (2) | ±1 | mV | ||
| IOS | Output Short Circuit Current(1) | VBG = Floating; D+ and D− connected to 0.8V |
±4 | mA | ||
| ZO | Differential Output Impedance | See (1) | 100 | Ω | ||
| VOH | Logic High Output Level | CalRun, IOH = −100 µA,(1)
SDO, IOH = −400 µA(1) |
1.65 | V | ||
| VOL | Logic Low Output Level | CalRun, IOL = 100 µA,(1)
SDO, IOL = 400 µA(1) |
0.15 | V | ||
| DIFFERENTIAL DCLK RESET PINs (DCLK_RST) | ||||||
| VCMI_DRST | DCLK_RST Common Mode Input Voltage | See (1) | 1.25 | V | ||
| VID_DRST | Differential DCLK_RST Input Voltage | See (1) | VIN_CLK | VP-P | ||
| RIN_DRST | Differential DCLK_RST Input Resistance | See (1) | 100 | Ω | ||
| PARAMETER | TEST CONDITIONS | ADC12D1800RF | UNIT | ||
|---|---|---|---|---|---|
| TYP | MAX | ||||
| IA | Analog Supply Current | PDI = PDQ = Low | 1360 | mA | |
| PDI = Low; PDQ = High | 745 | mA | |||
| PDI = High; PDQ = Low | 745 | mA | |||
| PDI = PDQ = High | 2.7 | mA | |||
| ITC | Track-and-Hold and Clock Supply Current | PDI = PDQ = Low | 515 | mA | |
| PDI = Low; PDQ = High | 305 | mA | |||
| PDI = High; PDQ = Low | 305 | mA | |||
| PDI = PDQ = High | 650 | µA | |||
| IDR | Output Driver Supply Current | PDI = PDQ = Low | 275 | mA | |
| PDI = Low; PDQ = High | 145 | mA | |||
| PDI = High; PDQ = Low | 145 | mA | |||
| PDI = PDQ = High | 6 | µA | |||
| IE | Digital Encoder Supply Current | PDI = PDQ = Low | 110 | mA | |
| PDI = Low; PDQ = High | 65 | mA | |||
| PDI = High; PDQ = Low | 65 | mA | |||
| PDI = PDQ = High | 34 | µA | |||
| ITOTAL | Total Supply Current | 1:2 Demux Mode
PDI = PDQ = Low |
2260 | 2481 | mA |
| Non-Demux Mode
PDI = PDQ = Low |
2220 | mA | |||
| PC | Power Consumption | 1:2 Demux Mode | |||
| PDI = PDQ = Low | 4.29 | 4.7 | W | ||
| PDI = Low; PDQ = High | 2.39 | W | |||
| PDI = High; PDQ = Low | 2.39 | W | |||
| PDI = PDQ = High | 6.5 | mW | |||
| Non-Demux Mode | |||||
| PDI = PDQ = Low | 4.22 | W | |||
| PARAMETER | TEST CONDITIONS | ADC12D1800RF | UNIT | |||
|---|---|---|---|---|---|---|
| MIN | TYP | MAX | ||||
| SAMPLING CLOCK (CLK) | ||||||
| fCLK (max) | Maximum Sampling Clock Frequency | 1.8 | GHz | |||
| fCLK (min) | Minimum Sampling Clock Frequency | Non-DES Mode; LFS = 0b | 300 | MHz | ||
| Non-DES Mode; LFS = 1b | 150 | MHz | ||||
| DES Mode | 500 | MHz | ||||
| Sampling Clock Duty Cycle | fCLK(min) ≤ fCLK ≤ fCLK(max)(1) | 20% | 50% | 80% | ||
| tCL | Sampling Clock Low Time | See (2) | 111 | 278 | ps | |
| tCH | Sampling Clock High Time | See (2) | 111 | 278 | ps | |
| DATA CLOCK (DCLKI, DCLKQ) | ||||||
| DCLK Duty Cycle | See (2) | 45% | 50% | 55% | ||
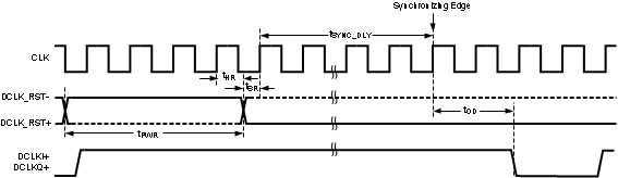
| tSR | Setup Time DCLK_RST± | See (1) | 45 | ps | ||
| tHR | Hold Time DCLK_RST± | See (1) | 45 | ps | ||
| tPWR | Pulse Width DCLK_RST± | See (2) | 5 | Sampling Clock Cycles | ||
| tSYNC_DLY | DCLK Synchronization Delay | 90° Mode(2) | 4 | Sampling Clock Cycles | ||
| 0° Mode(2) | 5 | |||||
| tLHT | Differential Low-to-High Transition Time | 10%-to-90%, CL = 2.5 pF(1) | 200 | ps | ||
| tHLT | Differential High-to-Low Transition Time | 10%-to-90%, CL = 2.5 pF(1) | 200 | ps | ||
| tSU | Data-to-DCLK Setup Time | 90° Mode(2) | 430 | ps | ||
| tH | DCLK-to-Data Hold Time | 90° Mode(2) | 430 | ps | ||
| tOSK | DCLK-to-Data Output Skew | 50% of DCLK transition to 50% of Data transition(2) | ±50 | ps | ||
| DATA INPUT-TO-OUTPUT | ||||||
| tAD | Aperture Delay(1) | Sampling CLK+ Rise to Acquisition of Data | 1.29 | ns | ||
| tAJ | Aperture Jitter | See (1) | 0.2 | ps (rms) | ||
| tOD | Sampling Clock-to Data Output Delay (in addition to Latency) | 50% of Sampling Clock transition to 50% of Data transition(1) | 3.2 | ns | ||
| tLAT | Latency in 1:2 Demux Non-DES Mode(2) | DI, DQ Outputs | 34 | Sampling Clock Cycles | ||
| DId, DQd Outputs | 35 | |||||
| Latency in 1:4 Demux DES Mode(2) | DI Outputs | 34 | ||||
| DQ Outputs | 34.5 | |||||
| DId Outputs | 35 | |||||
| DQd Outputs | 35.5 | |||||
| Latency in Non-Demux Non-DES Mode(2) | DI Outputs | 34 | ||||
| DQ Outputs | 34 | |||||
| Latency in Non-Demux DES Mode(2) | DI Outputs | 34 | ||||
| DQ Outputs | 34.5 | |||||
| tORR | Over Range Recovery Time | Differential VIN step from ±1.2V to 0V to accurate conversion(1) | 1 | Sampling Clock Cycle | ||
| tWU | Wake-Up Time (PDI/PDQ low to Rated Accuracy Conversion) | Non-DES Mode(2) | 500 | ns | ||
| DES Mode(2) | 1 | µs | ||||
| PARAMETER | TEST CONDITIONS | ADC12D1800RF | UNIT | ||
|---|---|---|---|---|---|
| TYP | MIN | ||||
| fSCLK | Serial Clock Frequency | See (2) | 15 | MHz | |
| Serial Clock Low Time | 30 | ns | |||
| Serial Clock High Time | 30 | ns | |||
| tSSU | Serial Data-to-Serial Clock Rising Setup Time | See (1) | 2.5 | ns | |
| tSH | Serial Data-to-Serial Clock Rising Hold Time | See (2) | 1 | ns | |
| tSCS | SCS-to-Serial Clock Rising Setup Time | See (1) | 2.5 | ns | |
| tHCS | SCS-to-Serial Clock Falling Hold Time | See (1) | 1.5 | ns | |
| tBSU | Bus turn-around time | See (1) | 10 | ns | |
| PARAMETER | TEST CONDITIONS | ADC12D1800RF | UNIT | |||
|---|---|---|---|---|---|---|
| MIN | TYP | MAX | ||||
| tCAL | Calibration Cycle Time | Non-ECM | 4.1·107 | Sampling Clock Cycles | ||
| ECM CSS = 0b | ||||||
| ECM CSS = 1b | ||||||
| tCAL_L | CAL Pin Low Time | See (1) | 1280 | Sampling Clock Cycles | ||
| tCAL_H | CAL Pin High Time | See (1) | 1280 | |||
| tCalDly | Calibration delay determined by CalDly Pin(1) | CalDly = Low | 224 | Sampling Clock Cycles | ||
| CalDly = High | 230 | |||||
Figure 4-1 Input / Output Transfer Characteristic




Figure 4-6 Data Clock Reset Timing (Demux Mode)
Figure 4-7 Power-on and On-Command Calibration Timing
Figure 4-8 Serial Interface Timing
VA = VDR = VTC = VE = 1.9V, fCLK = 1.8 GHz, fIN = 498 MHz, TA= 25°C, I-channel, 1:2 Demux Non-DES Mode (1:1 Demux Non-DES Mode has similar performance), unless otherwise stated.
Figure 4-9 INL vs. Code (ADC12D1800RF)
Figure 4-11 DNL vs. Code (ADC12D1800RF)
Figure 4-13 ENOB vs. Temperature (ADC12D1800RF)
Figure 4-15 ENOB vs. Clock Frequency (ADC12D1800RF)
Figure 4-17 ENOB vs. VCMI (ADC12D1800RF)
Figure 4-19 SNR vs. Supply Voltage (ADC12D1800RF)
Figure 4-21 SNR vs. Input Frequency (ADC12D1800RF)
Figure 4-23 THD vs. Supply Voltage (ADC12D1800RF)
Figure 4-25 THD vs. Input Frequency (ADC12D1800RF)
Figure 4-27 SFDR vs. Supply Voltage (ADC12D1800RF)
Figure 4-29 SFDR vs. Input Frequency (ADC12D1800RF)
Figure 4-31 Spectral Response DESI Mode (ADC12D1800RF)
Figure 4-33 Crosstalk vs. Source Frequency (ADC12D1800RF)
Figure 4-35 Power Consumption vs. Clock Frequency (ADC12D1800RF)
Figure 4-10 INL vs. Temperature (ADC12D1800RF)
Figure 4-12 DNL vs. Temperature (ADC12D1800RF)
Figure 4-14 ENOB vs. Supply Voltage (ADC12D1800RF)
Figure 4-16 ENOB vs. Input Frequency (ADC12D1800RF)
Figure 4-18 SNR vs. Temperature (ADC12D1800RF)
Figure 4-20 SNR vs. Clock Frequency (ADC12D1800RF)
Figure 4-22 THD vs. Temperature (ADC12D1800RF)
Figure 4-24 THD vs. Clock Frequency (ADC12D1800RF)
Figure 4-26 SFDR vs. Temperature (ADC12D1800RF)
Figure 4-28 SFDR vs. Clock Frequency (ADC12D1800RF)
Figure 4-30 Spectral Response Non-DES Mode (ADC12D1800RF)
Figure 4-32 Spectral Response DESCLKIQ Mode (ADC12D1800RF)
Figure 4-34 Insertion Loss (ADC12D1800RF)