SLUSAY4D March 2012 – December 2014 UCC27516 , UCC27517
PRODUCTION DATA.
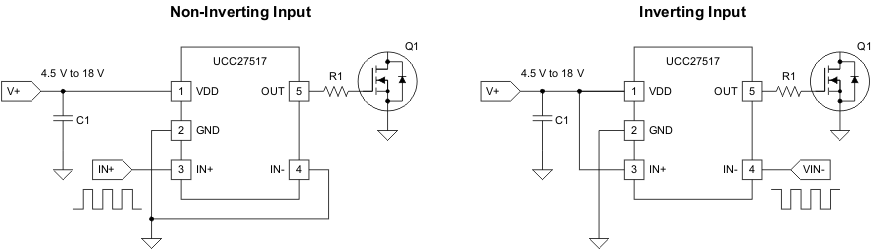
The UCC27516 and UCC27517 single-channel, high-speed, low-side gate driver devices can effectively drive MOSFET and IGBT power switches. Using a design that inherently minimizes shoot-through current, UCC27516 and UCC27517 can source and sink high peak-current pulses into capacitive loads offering rail-to-rail drive capability and extremely small propagation delay, typically 13 ns.
The UCC27516 and UCC27517 provides 4-A source, 4-A sink (symmetrical drive) peak-drive current capability at VDD = 12 V.
| PART NUMBER | PACKAGE | BODY SIZE (NOM) |
|---|---|---|
| UCC27516 | SON (6) | 3.00 mm × 3.00 mm |
| UCC27517 | SOT-23 (5) | 2.90 mm × 1.60 mm |
