SCLS040G December 1982 – March 2015 SN74HC594
UNLESS OTHERWISE NOTED, this document contains PRODUCTION DATA.
Refer to the PDF data sheet for device specific package drawings
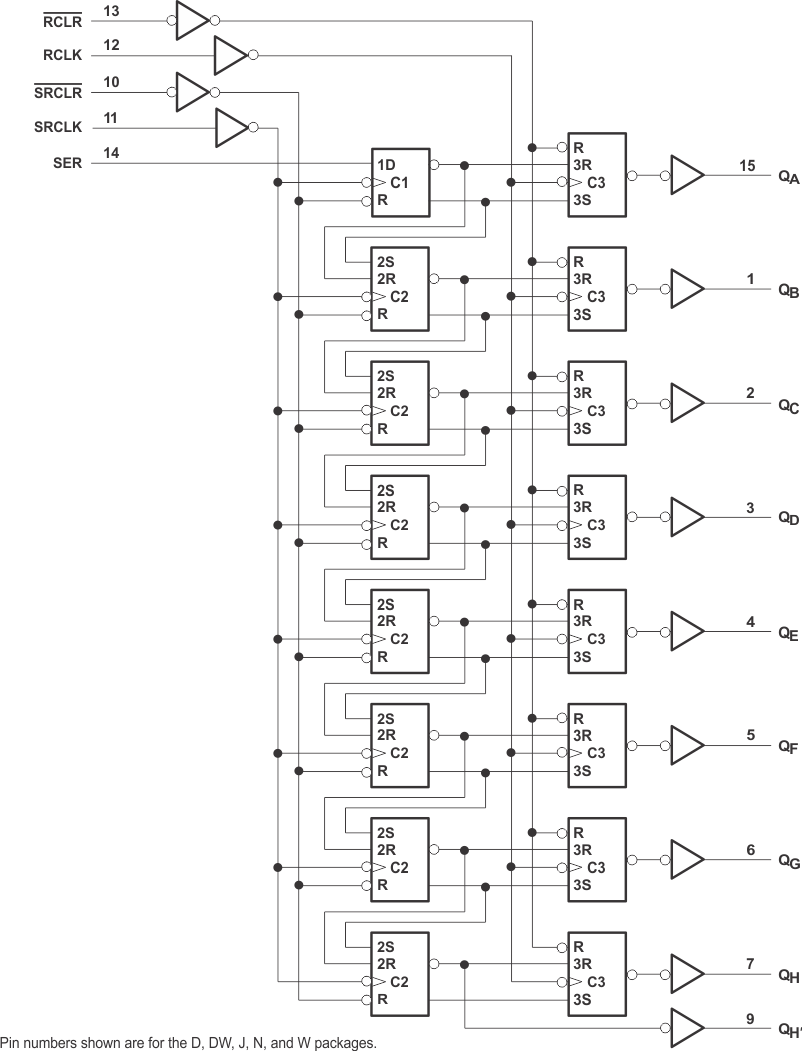
The SNx4HC594 devices contain an 8-bit serial-in, parallel-out shift register that feeds an 8-bit D-type storage register. Separate clocks and direct overriding clear (RCLR, SRCLR) inputs are provided on both the shift and storage registers. A serial (QH’) output is provided for cascading purposes.
Both the shift register (SRCLK) and storage register (RCLK) clocks are positive edge triggered. If both clocks are connected together, the shift register always is one count pulse ahead of the storage register.
The parallel (QA − QH) outputs have high-current capability. QH’ is a standard output.
| PART NUMBER | PACKAGE | BODY SIZE (NOM) |
|---|---|---|
| SN74HC594 | PDIP (16) | 19.30 mm × 6.35 mm |
| SOIC (16) | 9.00 mm × 9.00 mm | |
| 10.30 mm × 7.50 mm |
