SNVS589N September 2008 – November 2014 LM22671 , LM22671-Q1
PRODUCTION DATA.

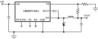
The LM22671 switching regulator provides all of the functions necessary to implement an efficient high voltage step-down (buck) regulator using a minimum of external components. This easy to use regulator incorporates a 42 V N-channel MOSFET switch capable of providing up to 500 mA of load current. Excellent line and load regulation along with high efficiency (> 90%) are featured. Voltage mode control offers short minimum on-time, allowing the widest ratio between input and output voltages. Internal loop compensation means that the user is free from the tedious task of calculating the loop compensation components. Fixed 5 V output and adjustable output voltage options are available. The default switching frequency is set at 500 kHz allowing for small external components and good transient response. In addition, the frequency can be adjusted over a range of 200 kHz to 1 MHz with a single external resistor. The internal oscillator can be synchronized to a system clock or to the oscillator of another regulator. A precision enable input allows simplification of regulator control and system power sequencing. In shutdown mode the regulator draws only 25 µA (typ). An adjustable soft-start feature is provided through the selection of a single external capacitor. The LM22671 device also has built-in thermal shutdown and current limiting to protect against accidental overloads.
The LM22671 device is a member of Texas Instruments' SIMPLE SWITCHER® family. The SIMPLE SWITCHER concept provides for an easy to use complete design using a minimum number of external components and the TI WEBENCH design tool. TI's WEBENCH tool includes features such as external component calculation, electrical simulation, thermal simulation, and Build-It boards for easy design-in.
| PART NUMBER | PACKAGE | BODY SIZE (NOM) |
|---|---|---|
| LM22671 | HSOP (8) | 4.89 mm x 3.90 mm |
| LM22671-Q1 |