SLLA555 June 2021 ISOS141-SEP , SN55HVD233-SEP
| Parameter | Design Requirement |
|---|---|
| Bit rate | 1 Mbps |
| Bus length | 40m |
| Maximum Total Ionizing Dose | 30krad(Si) |
| Maximum SEL to LET | 43MeV × cm2/mg |
| Isolation voltage | 3000 VRMS per UL1577 |
The controller area network (CAN) protocol is a proven, highly-reliable communication system for harsh environments. The CAN two-wire bus multi-master, multi-drop topology is robust, low-cost, has low power consumption, and helps reduce the number of wires in wire-intensive point-to-point topologies. These advantages make CAN a good data bus for spacecraft applications.
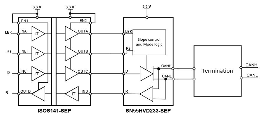
The following circuit uses the ISOS141-SEP digital isolator and SN55HVD233-SEP CAN transceiver devices to achieve an isolated CAN serial transceiver.

The ECSS-E-ST-50-15C is a standard dedicated to spacecraft projects that opt to use the CAN Network for spacecraft onboard communications and control. It defines the protocol extensions needed to meet spacecraft-specific requirements and adopts the ISO11898-1/-2:2003 standard without modification. Therefore, CAN transceivers used in space applications must meet the key electrical specifications of the ISO 11898-2 standard. In addition, the system must have a good Single-Event Latch-Up (SEL) immunity to Linear Energy transfer (LET) and be able to survive the harsh radiation environment encountered in space. ISOS141-SEP and SN55HVD233-SEP are picked for this circuit for their good SEL immunity to LET as described in the Single-Event Latch-Up Test Report of the SN55HVD233-SEP CAN Bus Transceiver radiation report.
According to the ISO11898-1/-2:2003, the maximum bit-rate is 1Mbps and the maximum bus length is 40m. A round-trip delay must be calculated based on the components to ensure that a signal has enough time to be made back from the most distant CAN controller on the bus while the bit is still being written by the sender to meet the bit rate.

| Parameter | Conditions | Typ (ns) | Max (ns) |
|---|---|---|---|
| Propagation delay of ISOS-141-SEP | With RL = 50?, CL=15pF | 10.7 | 16 |
| Propagation delay of Tx to CAN bus | With RL = 60?, CL=50pF | 70 | 130 |
| Propagation delay of 40m wire | Approximate delay is 5nsm-1 (Typ), 5.3nsm-1 (Max) | 200 | 212 |
| Propagation delay of CAN bus to Rx | With RL = 60?, CL=50pF | 35 | 105 |
| MCU propagation delay | (This value may differ from your MCU) | 20 | 20 |
This design meets the timing requirement as the approximate worst-case round-trip delay is 9898ns which is less than 1000ns.
Note: If round-trip delay is greater than bit time, use the following options:
| ISOS141-SEP | |
|---|---|
| VCC1, Vcc2 | 2.25 V to 5.5 V |
| Data-rate | 100MHz |
| Propagation delay | 10.7ns to 16ns |
| TID Characterized (ELDRS-Free) | 30 krad(Si) |
| TID RLAT, RHA | 30 krad(Si) |
| CMTI | ±100kV/μs |
| VISO | 3000 VRMS |
| https://www.ti.com/product/ISOS141-SEP | |
| SN55HVD233-SEP | |
|---|---|
| VCC1 | 3 V to 3.6 V |
| Data-rate | 1Mbps |
| TID Characterized (ELDRS-Free) | 30 krad(Si) |
| TID RLAT, RHA | 20 krad(Si) |
| Common Mode Range | –7 V to 12 V |
| Bus Pins ESD (HBM) | ±14kV |
| https://www.ti.com/product/SN55HVD233-SEP | |