SLDS156B March 2009 – July 2015 TLC59108
PRODUCTION DATA.
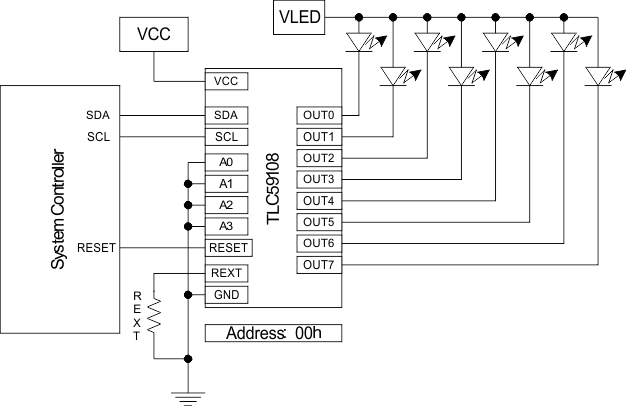
The TLC59108 is an I2C bus controlled 8-bit LED driver that is optimized for red/green/blue/amber (RGBA) color mixing and backlight applications.
| PART NUMBER | PACKAGE | BODY SIZE (NOM) |
|---|---|---|
| TLC59108 | TSSOP (20) | 6.50 mm × 4.40 mm |
| VQFN (20) | 4.50 mm × 3.50 mm |
