SLUSA44A March 2010 – July 2015
PRODUCTION DATA.
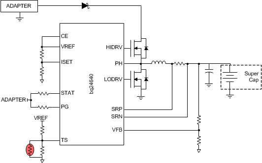
The bq24640 device is a highly integrated switched-mode super capacitor charge controller. The device offers a constant-frequency synchronous PWM controller with high accuracy charge current, voltage regulation, and charge status monitoring.
The bq24640 charges a super capacitor in two phases: constant current and constant voltage (CC/CV). The device can charge super capacitors from 0 V with current set on the ISET pin. When the super capacitor voltage reaches the programmed target voltage, charge current begins tapering down.
The bq24640 enters a low-current sleep mode
(<15 μA) when the input voltage falls below the output capacitor voltage.
The bq24640 has an input CE pin to enable and disable charge, and the STAT and PG output pins report charge and adapter status. The TS pin on the bq24640 monitors the temperature of the capacitor and suspends charge during hot and cold conditions.
| PART NUMBER | PACKAGE | BODY SIZE (NOM) |
|---|---|---|
| bq24640 | VQFN (16) | 3.50 mm × 3.50 mm |
