SBVS103D April 2008 – December 2014 TPS3808-EP
PRODUCTION DATA.
| MIN | MAX | UNIT | |
|---|---|---|---|
| Input voltage, VDD | –0.3 | 7.0 | V |
| CT voltage, VCT | –0.3 | VDD + 0.3 | |
| Other voltage: VRESET, VMR, VSENSE | –0.3 | 7 | |
| RESET pin current | 5 | mA | |
| Operating junction temperature, TJ(2) | –55 | 150 | °C |
| Storage temperature, Tstg | –65 | 150 |
| VALUE | UNIT | ||||
|---|---|---|---|---|---|
| V(ESD) | Electrostatic discharge | Human body model (HBM), per ANSI/ESDA/JEDEC JS-001, all pins(1) | ±3000 | V | |
| Charged device model (CDM), per JEDEC specification JESD22-C101, all pins(2) | ±1000 | ||||
| MIN | NOM | MAX | UNIT | ||
|---|---|---|---|---|---|
| VDD | Input supply range | 1.7 | 6.5 | V | |
| Power-up reset voltage | VOL (max) = 0.2 V, IRESET = 15 μA | 0.8 | V | ||
| THERMAL METRIC(1) | TPS3808-EP | UNIT | |
|---|---|---|---|
| DBV | |||
| 6 PINS | |||
| RθJA | Junction-to-ambient thermal resistance | 180.9 | °C/W |
| RθJC(top) | Junction-to-case (top) thermal resistance | 117.8 | |
| RθJB | Junction-to-board thermal resistance | 27.8 | |
| ψJT | Junction-to-top characterization parameter | 1.12 | |
| ψJB | Junction-to-board characterization parameter | 27.3 | |
| PARAMETER | TEST CONDITIONS | MIN | TYP | MAX | UNIT | |||
|---|---|---|---|---|---|---|---|---|
| VDD | Input supply range | 1.7 | 6.5 | V | ||||
| IDD | Supply current (current into VDD pin) | VDD = 3.3 V, RESET not asserted MR, RESET, CT open |
2.4 | 5.0 | μA | |||
| VDD = 6.5 V, RESET not asserted MR, RESET, CT open |
2.7 | 6.0 | ||||||
| VOL | Low-level output voltage | 1.3 V ≤ VDD < 1.8 V, IOL = 0.4 mA | 0.3 | V | ||||
| 1.8 V ≤ VDD ≤ 6.5 V, IOL = 1.0 mA | 0.4 | |||||||
| Power-up reset voltage(1) | VOL (max) = 0.2 V, IRESET = 15 μA | 0.8 | ||||||
| VIT | Negative-going input threshold accuracy | TPS3808G01 | –2.0% | ±1.0% | +2.0% | |||
| VIT ≤ 3.3 V | –1.7% | ±0.5% | +1.7% | |||||
| 3.3 V < VIT ≤ 5.0 V | –2.0% | ±1.0% | +2.0% | |||||
| VHYS | Hysteresis on VIT pin | TPS3808G01 | 1.5% | 3.0% | VIT | |||
| Fixed versions | 1.0% | 2.5% | ||||||
| RMR | MR Internal pullup resistance | 70 | 90 | kΩ | ||||
| ISENSE | Input current at SENSE pin | TPS3808G01 | VSENSE = VIT | –25 | 25 | nA | ||
| Fixed versions | VSENSE = 6.5 V | 1.7 | μA | |||||
| IOH | RESET leakage current | VRESET = 6.5 V, RESET not asserted | 300 | nA | ||||
| CIN | Input capacitance, any pin | CT pin | VIN = 0 V to VDD | 5 | pF | |||
| Other pins | VIN = 0 V to 6.5 V | 5 | ||||||
| VIL | MR logic low input | 0 | 0.3 VDD | V | ||||
| VIH | MR logic high input | 0.7 VDD | VDD | |||||
| θJA | Thermal resistance, junction-to-ambient | 290 | °C/W | |||||
| PARAMETER | TEST CONDITIONS | MIN | TYP | MAX | UNIT | ||
|---|---|---|---|---|---|---|---|
| tw | Input pulse width to RESET | SENSE | VIH = 1.05 VIT, VIL = 0.95 VIT | 20 | μs | ||
| MR | VIH = 0.7 VDD, VIL = 0.3 VDD | 0.001 | |||||
| td | RESET delay time | CT = Open | See Timing Diagram | 12 | 20 | 29 | ms |
| CT = VDD | 180 | 300 | 440 | ||||
| CT = 100 pF | 0.75 | 1.25 | 1.8 | ||||
| CT = 180 nF | 0.7 | 1.2 | 1.8 | s | |||
| tpHL | Propagation delay | MR to RESET | VIH = 0.7 VDD, VIL = 0.3 VDD | 150 | ns | ||
| High-to-low level RESET delay | SENSE to RESET | VIH = 1.05 VIT, VIL = 0.95 VIT | 20 | μs | |||
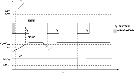
Figure 1. TPS3808 Timing Diagram Showing MR and SENSE Reset Timing
| MR | SENSE > VIT | RESET |
|---|---|---|
| L | 0 | L |
| L | 1 | L |
| H | 0 | L |
| H | 1 | H |


| CT = Open, CT = VDD, CT = Any |




