ZHCSJ88C December 2018 – February 2024 TMUX1119
PRODUCTION DATA
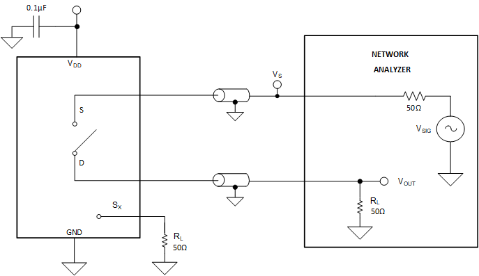
Off isolation is defined as the ratio of the signal at the drain pin (D) of the device when a signal is applied to the source pin (Sx) of an off-channel. Figure 6-7 shows the setup used to measure, and the equation used to calculate off isolation.
Figure 6-7 Off Isolation Measurement Setup