SLLS632C December 2005 – February 2015 SN65HVD1050
PRODUCTION DATA.



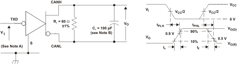
Figure 14. Driver Test Circuit and Voltage Waveforms
Figure 15. Receiver Voltage and Current Definitions

| INPUT | OUTPUT | |||
|---|---|---|---|---|
| VCANH | VCANL | |VID| | R | |
| –11.1V | –12V | 900 mV | L | VOL |
| 12V | 11.1V | 900 mV | L | |
| –6V | –12V | 6V | L | |
| 12V | 6V | 6V | L | |
| –11.5V | –12V | 500 mV | H | VOH |
| 12V | 11.5V | 500 mV | H | |
| –12V | –6V | 6V | H | |
| 6V | 12V | 6V | H | |
| Open | Open | X | H | |
Figure 17. TEN Test Circuit and Waveform

NOTE:
All VI input pulses are from 0V to VCC and supplied by a generator having the following characteristics: tr or tf ≤ 6 ns. Pulse Repetition Rate (PRR) = 125 kHz, 50% duty cycle.

Figure 21. Driver Short-Circuit Current Test and Waveform