ZHCSK05D July 2019 – October 2022 SN3257-Q1
PRODUCTION DATA
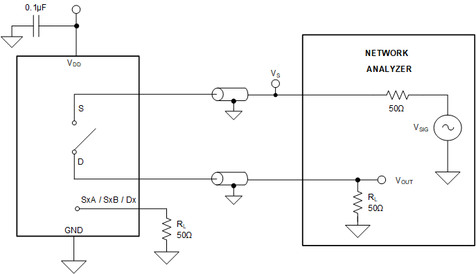
Off isolation is defined as the ratio of the signal at the drain pin (Dx) of the device when a signal is applied to the source pin (Sx) of an off-channel. The characteristic impedance, Z0, for the measurement is 50 Ω. Figure 7-13 shows the setup used to measure off isolation. Use off isolation equation to compute off isolation.
Figure 7-13 Off Isolation Measurement Setup