SNAS519H July 2011 – August 2015 ADC12D1000RF , ADC12D1600RF
PRODUCTION DATA.
| MIN | MAX | UNIT | ||
|---|---|---|---|---|
| Supply Voltage (VA, VTC, VDR, VE) | 2.2 | V | ||
| Supply Difference - max(VA/TC/DR/E) - min(VA/TC/DR/E) | 0 | 100 | mV | |
| Voltage on Any Input Pin (except VIN±) | –0.15 | (VA + 0.15) | V | |
| VIN± Voltage | –0.5 | 2.5 | V | |
| Ground Difference - max(GNDTC/DR/E) – min(GNDTC/DR/E) | 0 | 100 | mV | |
| Input Current at Any Pin(3) | ±50 | mA | ||
| ADC12D1x00RF Package Power Dissipation at TA ≤ 85°C(3) | 3.45 | W | ||
| Storage Temperature | –65 | 150 | °C | |
| VALUE | UNIT | |||
|---|---|---|---|---|
| V(ESD) | Electrostatic discharge(1) | Human body model (HBM), per ANSI/ESDA/JEDEC JS-001(2) | ±2500 | V |
| Charged device model (CDM), per JEDEC specification JESD22-C101(3) | ±1000 | |||
| Machine model (MM) | ±250 | |||
| MIN | NOM | MAX | UNIT | |||
|---|---|---|---|---|---|---|
| Ambient Temperature, TA | ADC12D1x00RF (Standard JEDEC thermal model) | –40 | 85 | °C | ||
| Junction Temperature, TJ | 140 | °C | ||||
| Supply Voltage (VA, VTC, VE) | 1.8 | 2 | V | |||
| Driver Supply Voltage (VDR) | 1.8 | VA | V | |||
| VIN± Voltage(3) | DC-coupled | –0.4 | 2.4 | V | ||
| VIN± Differential Voltage(4) | DC-coupled at 100% duty cycle | 1 | V | |||
| DC-coupled at 20% duty cycle | 2 | |||||
| DC-coupled at 10% duty cycle | 2.8 | |||||
| VIN± Current(3) | AC-coupled | –50 | 50 | mA | ||
| VIN± Power | Maintaining common-mode voltage, AC-coupled | 15.3 | dBm | |||
| Not maintaining common-mode voltage, AC-coupled | 17.1 | |||||
| Ground Difference – max(GNDTC/DR/E) -min(GNDTC/DR/E) | 0 | V | ||||
| CLK± Voltage | 0 | VA | V | |||
| Differential CLK Amplitude | 0.4 | 2 | VP-P | |||
| VCMI Common-Mode Input Voltage | VCMO – 150 | VCMO +150 | mV | |||
| THERMAL METRIC(1) | ADC12D1x00RF | UNIT | |
|---|---|---|---|
| NXA [BGA] | |||
| 40 PINS | |||
| RθJA | Junction-to-ambient thermal resistance | 16 | °C/W |
| RθJC(top) | Junction-to-case (top) thermal resistance | 2.9 | °C/W |
| RθJC(bot) | Junction-to-case (bottom) thermal resistance | 2.5 | °C/W |
| PARAMETER | TEST CONDITIONS | MIN | TYP | MAX | UNIT | |
|---|---|---|---|---|---|---|
| Resolution with No Missing Codes | TA = TMIN to TMAX | 12 | bits | |||
| INL | Integral Non-Linearity (Best fit) | 1 MHz DC-coupled over-ranged sine wave, TA = 25°C |
±2.5 | ±7.25 | LSB | |
| DNL | Differential Non-Linearity | 1 MHz DC-coupled over-ranged sine wave, TA = TMIN to TMAX |
±0.4 | ±0.96 | LSB | |
| VOFF | Offset Error | 5 | LSB | |||
| VOFF_ADJ | Input Offset Adjustment Range | Extended Control Mode | ±45 | mV | ||
| PFSE | Positive Full-Scale Error | See (4) | ±25 | mV | ||
| NFSE | Negative Full-Scale Error | See (4) | ±25 | mV | ||
| Out-of-Range Output Code(5) | (VIN+) − (VIN−) > + Full Scale, TA = TMIN to TMAX |
4095 | ||||
| (VIN+) − (VIN−) < − Full Scale, TA = TMIN to TMAX |
0 | |||||
| PARAMETER | TEST CONDITIONS | MIN | TYP | MAX | UNIT | ||
|---|---|---|---|---|---|---|---|
| Bandwidth | DESIQ MODE | ||||||
| –3 dB(6) | 1.75 | GHz | |||||
| –6 dB | 2.7 | GHz | |||||
| DESI, DESQ MODE | |||||||
| –3 dB(6) | 1.2 | GHz | |||||
| –6 dB | 2.3 | GHz | |||||
| –9 dB | 2.7 | GHz | |||||
| –12 dB | 3 | GHz | |||||
| NON-DES MODE, DESCLKIQ MODE | |||||||
| –3 dB(6) | 2.7 | GHz | |||||
| –6 dB | 3.1 | GHz | |||||
| –9 dB | 3.5 | GHz | |||||
| –12 dB | 4 | GHz | |||||
| Gain Flatness | NON-DES MODE | ||||||
| D.C. to Fs/2 | ±0.3 | dB | |||||
| D.C. to Fs | ADC12D1600RF | ±0.8 | dB | ||||
| ADC12D1000RF | ±0.4 | ||||||
| D.C. to 3Fs/2 | ADC12D1600RF | ±1 | dB | ||||
| ADC12D1000RF | ±0.8 | ||||||
| D.C. to 2Fs | ADC12D1600RF | ±3.6 | dB | ||||
| ADC12D1000RF | ±0.9 | ||||||
| DESI, DESQ MODE | |||||||
| D.C. to Fs/2 | ADC12D1600RF | ±2.2 | dB | ||||
| ADC12D1000RF | ±1 | ||||||
| D.C. to Fs | ADC12D1600RF | ±7.4 | dB | ||||
| ADC12D1000RF | ±2.7 | ||||||
| DESIQ MODE | |||||||
| D.C. to Fs/2 | ADC12D1600RF | ±0.9 | dB | ||||
| ADC12D1000RF | ±0.7 | ||||||
| D.C. to Fs | ADC12D1600RF | ±5.4 | dB | ||||
| ADC12D1000RF | ±1.3 | ||||||
| DESCLKIQ MODE | |||||||
| D.C. to Fs/2 | ADC12D1600RF | ±0.7 | |||||
| ADC12D1000RF | ±0.6 | ||||||
| D.C. to Fs | ADC12D1600RF | ±4.2 | |||||
| ADC12D1000RF | ±0.9 | ||||||
| CER | Code Error Rate | 10–18 | Error/ Sample |
||||
| IMD3 | 3rd order Intermodulation Distortion | DES MODE | |||||
| FIN = 2670 MHz ± 2.5 MHz at –13 dBFS |
ADC12D1600RF | –76.7 | dBFS | ||||
| –63.7 | dBc | ||||||
| ADC12D1000RF | –73 | dBFS | |||||
| –60 | dBc | ||||||
| FIN = 2070 MHz ± 2.5 MHz at –13 dBFS |
ADC12D1600RF | –78.6 | dBFS | ||||
| –65.6 | dBc | ||||||
| ADC12D1000RF | –77 | dBFS | |||||
| –64 | dBc | ||||||
| FIN = 2670 MHz ± 2.5 MHz at –16 dBFS |
ADC12D1600RF | –82.7 | dBFS | ||||
| –66.7 | dBc | ||||||
| ADC12D1000RF | –85 | dBFS | |||||
| –69 | dBc | ||||||
| FIN = 2070 MHz ± 2.5 MHz at –16 dBFS |
ADC12D1600RF | –80.1 | dBFS | ||||
| –64.1 | dBc | ||||||
| ADC12D1000RF | –83 | dBFS | |||||
| –67 | dBc | ||||||
| Noise Floor Density | 50-Ω single-ended termination, DES Mode |
ADC12D1600RF | –154.6 | dBm/Hz | |||
| –153.6 | dBFS/Hz | ||||||
| ADC12D1000RF | –154 | dBm/Hz | |||||
| –153 | dBFS/Hz | ||||||
| NON-DES MODE(3)(5)(7) | |||||||
| ENOB | Effective Number of Bits | AIN = 125 MHz at –0.5 dBFS | ADC12D1600RF | 9.4 | bits | ||
| ADC12D1000RF | 9.6 | ||||||
| AIN = 248 MHz at –0.5 dBFS | ADC12D1600RF | 9.3 | bits | ||||
| ADC12D1000RF | 9.6 | ||||||
| AIN = 498 MHz at –0.5 dBFS | ADC12D1600RF | 8.6(1) | 9.2 | bits | |||
| ADC12D1000RF | 8.7(1) | 9.4 | |||||
| AIN = 998 MHz at –0.5 dBFS | ADC12D1600RF | 9 | bits | ||||
| ADC12D1000RF | 9.3 | ||||||
| AIN = 1448 MHz at –0.5 dBFS | ADC12D1600RF | 8.8 | bits | ||||
| ADC12D1000RF | 9 | ||||||
| SINAD | Signal-to-Noise Plus Distortion Ratio | AIN = 125 MHz at –0.5 dBFS | ADC12D1600RF | 58 | dB | ||
| ADC12D1000RF | 59.7 | ||||||
| AIN = 248 MHz at –0.5 dBFS | ADC12D1600RF | 57.5 | dB | ||||
| ADC12D1000RF | 59.7 | dB | |||||
| AIN = 498 MHz at –0.5 dBFS | ADC12D1600RF | 53.5(1) | 57.4 | dB | |||
| ADC12D1000RF | 54.1(1) | 58.6 | |||||
| AIN = 998 MHz at –0.5 dBFS | ADC12D1600RF | 55.9 | dB | ||||
| ADC12D1000RF | 57.6 | ||||||
| AIN = 1448 MHz at –0.5 dBFS | ADC12D1600RF | 54.9 | dB | ||||
| ADC12D1000RF | 55.9 | ||||||
| SNR | Signal-to-Noise Ratio | AIN = 125 MHz at –0.5 dBFS | ADC12D1600RF | 59 | dB | ||
| ADC12D1000RF | 60.1 | ||||||
| AIN = 248 MHz at –0.5 dBFS | ADC12D1600RF | 58.6 | dB | ||||
| ADC12D1000RF | 60 | ||||||
| AIN = 498 MHz at –0.5 dBFS | ADC12D1600RF | 54.6(1) | 58.2 | dB | |||
| ADC12D1000RF | 55.1(1) | 58.8 | |||||
| AIN = 998 MHz at –0.5 dBFS | ADC12D1600RF | 57 | dB | ||||
| ADC12D1000RF | 58.2 | ||||||
| AIN = 1448 MHz at –0.5 dBFS | ADC12D1600RF | 55.4 | dB | ||||
| ADC12D1000RF | 56.1 | ||||||
| THD | Total Harmonic Distortion | AIN = 125 MHz at –0.5 dBFS | ADC12D1600RF | –65 | dB | ||
| ADC12D1000RF | –69.7 | ||||||
| AIN = 248 MHz at –0.5 dBFS | ADC12D1600RF | –64 | dB | ||||
| ADC12D1000RF | –71.9 | ||||||
| AIN = 498 MHz at –0.5 dBFS | ADC12D1600RF | –64.9 | –60(1) | dB | |||
| ADC12D1000RF | –72 | –61(1) | |||||
| AIN = 998 MHz at –0.5 dBFS | ADC12D1600RF | –62.4 | 8 | dB | |||
| ADC12D1000RF | –66. | ||||||
| AIN = 1448 MHz at –0.5 dBFS | ADC12D1600RF | –64.1 | dB | ||||
| ADC12D1000RF | –69 | ||||||
| 2nd Harm | Second Harmonic Distortion | AIN = 125 MHz at –0.5 dBFS | ADC12D1600RF | –78.6 | dBc | ||
| ADC12D1000RF | –79.3 | ||||||
| AIN = 248 MHz at –0.5 dBFS | ADC12D1600RF | –83 | dBc | ||||
| ADC12D1000RF | –91.6 | ||||||
| AIN = 498 MHz at –0.5 dBFS | ADC12D1600RF | –74 | dBc | ||||
| ADC12D1000RF | –86.3 | ||||||
| AIN = 998 MHz at –0.5 dBFS | ADC12D1600RF | –70.6 | dBc | ||||
| ADC12D1000RF | –73 | ||||||
| AIN = 1448 MHz at –0.5 dBFS | ADC12D1600RF | –71 | dBc | ||||
| ADC12D1000RF | –73.7 | ||||||
| 3rd Harm | Third Harmonic Distortion | AIN = 125 MHz at –0.5 dBFS | ADC12D1600RF | –67.5 | dBc | ||
| ADC12D1000RF | –71.9 | ||||||
| AIN = 248 MHz at –0.5 dBFS | ADC12D1600RF | –64.4 | dBc | ||||
| ADC12D1000RF | –75.4 | ||||||
| AIN = 498 MHz at –0.5 dBFS | ADC12D1600RF | –71 | dBc | ||||
| ADC12D1000RF | –74.8 | ||||||
| AIN = 998 MHz at –0.5 dBFS | ADC12D1600RF | –63.2 | dBc | ||||
| ADC12D1000RF | –68.9 | ||||||
| AIN = 1448 MHz at –0.5 dBFS | ADC12D1600RF | –75.7 | dBc | ||||
| ADC12D1000RF | –73.5 | ||||||
| SFDR | Spurious-Free Dynamic Range | AIN = 125 MHz at –0.5 dBFS | ADC12D1600RF | 67.9 | dBc | ||
| ADC12D1000RF | 71.4 | ||||||
| AIN = 248 MHz at –0.5 dBFS | ADC12D1600RF | 64.5 | dBc | ||||
| ADC12D1000RF | 75 | ||||||
| AIN = 498 MHz at –0.5 dBFS | ADC12D1600RF | 58(1) | 66.7 | dBc | |||
| ADC12D1000RF | 61(1) | 71.9 | |||||
| AIN = 998 MHz at –0.5 dBFS | ADC12D1600RF | 63.8 | dBc | ||||
| ADC12D1000RF | 68.4 | ||||||
| AIN = 1448 MHz at –0.5 dBFS | ADC12D1600RF | 67.3 | dBc | ||||
| ADC12D1000RF | 66.5 | ||||||
| DES MODE(3)(4)(7) | |||||||
| ENOB | Effective Number of Bits | AIN = 125 MHz at –0.5 dBFS | ADC12D1600RF | 9.3 | bits | ||
| ADC12D1000RF | 9.5 | ||||||
| AIN = 248 MHz at –0.5 dBFS | ADC12D1600RF | 9.3 | bits | ||||
| ADC12D1000RF | 9.4 | ||||||
| AIN = 498 MHz at –0.5 dBFS | 9.3 | bits | |||||
| AIN = 998 MHz at –0.5 dBFS | ADC12D1600RF | 8.9 | bits | ||||
| ADC12D1000RF | 8.8 | ||||||
| AIN = 1448 MHz at –0.5 dBFS | 8.7 | bits | |||||
| SINAD | Signal-to-Noise Plus Distortion Ratio | AIN = 125 MHz at –0.5 dBFS | ADC12D1600RF | 57.9 | dB | ||
| ADC12D1000RF | 58.7 | ||||||
| AIN = 248 MHz at –0.5 dBFS | ADC12D1600RF | 57.5 | dB | ||||
| ADC12D1000RF | 58.2 | ||||||
| AIN = 498 MHz at –0.5 dBFS | ADC12D1600RF | 57.5 | dB | ||||
| ADC12D1000RF | 57.7 | ||||||
| AIN = 998 MHz at –0.5 dBFS | ADC12D1600RF | 55.1 | dB | ||||
| ADC12D1000RF | 54.8 | ||||||
| AIN = 1448 MHz at –0.5 dBFS | 54.1 | dB | |||||
| SNR | Signal-to-Noise Ratio | AIN = 125 MHz at –0.5 dBFS | ADC12D1600RF | 58.8 | dB | ||
| ADC12D1000RF | 59.2 | ||||||
| AIN = 248 MHz at –0.5 dBFS | 58.5 | dB | |||||
| AIN = 498 MHz at –0.5 dBFS | ADC12D1600RF | 58.1 | dB | ||||
| ADC12D1000RF | 58 | ||||||
| AIN = 998 MHz at –0.5 dBFS | ADC12D1600RF | 55.9 | dB | ||||
| ADC12D1000RF | 55 | ||||||
| AIN = 1448 MHz at –0.5 dBFS | 54.3 | dB | |||||
| THD | Total Harmonic Distortion | AIN = 125 MHz at –0.5 dBFS | ADC12D1600RF | –65.2 | dB | ||
| ADC12D1000RF | –68.1 | ||||||
| AIN = 248 MHz at –0.5 dBFS | ADC12D1600RF | –64.2 | dB | ||||
| ADC12D1000RF | –68.4 | ||||||
| AIN = 498 MHz at –0.5 dBFS | ADC12D1600RF | –66.2 | dB | ||||
| ADC12D1000RF | –68.3 | ||||||
| AIN = 998 MHz at –0.5 dBFS | ADC12D1600RF | –62.9 | dB | ||||
| ADC12D1000RF | –66.4 | ||||||
| AIN = 1448 MHz at –0.5 dBFS | –67 | dB | |||||
| 2nd Harm | Second Harmonic Distortion | AIN = 125 MHz at –0.5 dBFS | ADC12D1600RF | –81.5 | dBc | ||
| ADC12D1000RF | –87.4 | ||||||
| AIN = 248 MHz at –0.5 dBFS | ADC12D1600RF | –84.2 | dBc | ||||
| ADC12D1000RF | –77.1 | ||||||
| AIN = 498 MHz at –0.5 dBFS | ADC12D1600RF | –69.7 | dBc | ||||
| ADC12D1000RF | –73.4 | ||||||
| AIN = 998 MHz at –0.5 dBFS | ADC12D1600RF | –70.5 | dBc | ||||
| ADC12D1000RF | –76.4 | ||||||
| AIN = 1448 MHz at –0.5 dBFS | –73.6 | dBc | |||||
| 3rd Harm | Third Harmonic Distortion | AIN = 125 MHz at –0.5 dBFS | ADC12D1600RF | –66 | dBc | ||
| ADC12D1000RF | –69.3 | ||||||
| AIN = 248 MHz at –0.5 dBFS | ADC12D1600RF | –63.8 | dBc | ||||
| ADC12D1000RF | –73.3 | ||||||
| AIN = 498 MHz at –0.5 dBFS | ADC12D1600RF | –69.7 | dBc | ||||
| ADC12D1000RF | –72.6 | ||||||
| AIN = 998 MHz at –0.5 dBFS | ADC12D1600RF | –63.5 | dBc | ||||
| ADC12D1000RF | –69.9 | ||||||
| AIN = 1448 MHz at –0.5 dBFS | –67.1 | dBc | |||||
| SFDR | Spurious-Free Dynamic Range | AIN = 125 MHz at –0.5 dBFS | ADC12D1600RF | 66.9 | dBc | ||
| ADC12D1000RF | 69 | ||||||
| AIN = 248 MHz at –0.5 dBFS | ADC12D1600RF | 65 | dBc | ||||
| ADC12D1000RF | 67.1 | ||||||
| AIN = 498 MHz at –0.5 dBFS | ADC12D1600RF | 70.4 | dBc | ||||
| ADC12D1000RF | 65 | ||||||
| AIN = 998 MHz at –0.5 dBFS | ADC12D1600RF | 64.1 | dBc | ||||
| ADC12D1000RF | 61.7 | ||||||
| AIN = 1448 MHz at –0.5 dBFS | 61.3 | dBc | |||||
| PARAMETER | TEST CONDITIONS | MIN | TYP | MAX | UNIT | |
|---|---|---|---|---|---|---|
| ANALOG INPUTS | ||||||
| VIN_FSR | Analog Differential Input Full Scale Range | NON-EXTENDED CONTROL MODE | ||||
| FSR Pin Low | 540(1) | 600 | 660(1) | mVP-P | ||
| FSR Pin High | 740(1) | 800 | 860(1) | mVP-P | ||
| EXTENDED CONTROL MODE | ||||||
| FM(14:0) = 0000h | 600 | mVP-P | ||||
| FM(14:0) = 4000h (default) | 800 | mVP-P | ||||
| FM(14:0) = 7FFFh | 1000 | mVP-P | ||||
| CIN | Analog Input Capacitance, Non-DES Mode(3)(4) | Differential | 0.02 | pF | ||
| Each input pin to ground | 1.6 | pF | ||||
| Analog Input Capacitance, DES Mode(3)(4) | Differential | 0.08 | pF | |||
| Each input pin to ground | 2.2 | pF | ||||
| RIN | Differential Input Resistance | 91(1) | 100 | 109(1) | Ω | |
| COMMON-MODE OUTPUT | ||||||
| VCMO | Common-Mode Output Voltage | ICMO = ±100 µA | 1.15(1) | 1.25 | 1.35(1) | V |
| TC_VCMO | Common-Mode Output Voltage Temperature Coefficient | ICMO = ±100 µA(2) | 38 | ppm/°C | ||
| VCMO_LVL | VCMO input threshold to set DC-coupling Mode | See (2) | 0.63 | V | ||
| CL_VCMO | Maximum VCMO Load Capacitance | See (3) | 80(1) | pF | ||
| BANDGAP REFERENCE | ||||||
| VBG | Bandgap Reference Output Voltage | IBG = ±100 µA | 1.15(1) | 1.25 | 1.35(1) | V |
| TC_VBG | Bandgap Reference Voltage Temperature Coefficient | IBG = ±100 µA(2) | 32 | ppm/°C | ||
| CL_VBG | Maximum Bandgap Reference load Capacitance | See (3) | 80(1) | pF | ||
| PARAMETER | TEST CONDITIONS | MIN | TYP | MAX | UNIT | |
|---|---|---|---|---|---|---|
| Offset Match | See (1) | 2 | LSB | |||
| Positive Full-Scale Match | Zero offset selected in Control Register | 2 | LSB | |||
| Negative Full-Scale Match | Zero offset selected in Control Register | 2 | LSB | |||
| Phase Matching (I, Q) | fIN = 1.0 GHz(1) | < 1 | Degree | |||
| X-TALK | Crosstalk from I-channel (Aggressor) to Q-channel (Victim) |
Aggressor = 867 MHz F.S., Victim = 100 MHz F.S. |
–70 | dB | ||
| Crosstalk from Q-channel (Aggressor) to I-channel (Victim) |
Aggressor = 867 MHz F.S., Victim = 100 MHz F.S. |
–70 | dB | |||
| PARAMETER | TEST CONDITIONS | MIN | TYP | MAX | UNIT | |
|---|---|---|---|---|---|---|
| VIN_CLK | Differential Sampling Clock Input Level(2) | Sine Wave Clock Differential Peak-to-Peak | 0.4(1) | 0.6 | 2(1) | VP-P |
| Square Wave Clock Differential Peak-to-Peak | 0.4(1) | 0.6 | 2(1) | |||
| CIN_CLK | Sampling Clock Input Capacitance(3) | Differential | 0.1 | pF | ||
| Each input to ground | 1 | pF | ||||
| RIN_CLK | Sampling Clock Differential Input Resistance | See (2) | 100 | Ω | ||
| PARAMETER | TEST CONDITIONS | MIN | TYP | MAX | UNIT | |
|---|---|---|---|---|---|---|
| VIN_RCLK | Differential RCLK Input Level(1) | Differential Peak-to-Peak | 360 | mVP-P | ||
| CIN_RCLK | RCLK Input Capacitance(1) | Differential | 0.12 | pF | ||
| Each input to ground | 1 | pF | ||||
| RIN_RCLK | RCLK Differential Input Resistance | See (1) | 100 | Ω | ||
| IIH_RCLK | Input Leakage Current; VIN = VA | 22 | µA | |||
| IIL_RCLK | Input Leakage Current; VIN = GND | 33 | µA | |||
| VO_RCOUT | Differential RCOut Output Voltage | –360 | mVP-P | |||
| PARAMETER | TEST CONDITIONS | MIN | TYP | MAX | UNIT | |
|---|---|---|---|---|---|---|
| DIGITAL CONTROL PINS (DES, CalDly, CAL, PDI, PDQ, TPM, NDM, FSR, DDRPh, ECE, SCLK, SDI, SCS) | ||||||
| VIH | Logic High Input Voltage | 0.7×VA(1) | V | |||
| VIL | Logic Low Input Voltage | 0.3×VA(1) | V | |||
| IIH | Input Leakage Current; VIN = VA | 0.02 | μA | |||
| IIL | Input Leakage Current; VIN = GND | FSR, CalDly, CAL, NDM, TPM, DDRPh, DES | –0.02 | μA | ||
| SCS, SCLK, SDI | –17 | μA | ||||
| PDI, PDQ, ECE | –38 | μA | ||||
| CIN_DIG | Digital Control Pin Input Capacitance(3) | Measured from each control pin to GND | 1.5 | pF | ||
| DIGITAL OUTPUT PINS (Data, DCLKI, DCLKQ, ORI, ORQ) | ||||||
| VOD | LVDS Differential Output Voltage | VBG = Floating, OVS = High | 400(1) | 630 | 800(1) | mVP-P |
| VBG = Floating, OVS = Low | 230(1) | 460 | 630(1) | mVP-P | ||
| VBG = VA, OVS = High | 670 | mVP-P | ||||
| VBG = VA, OVS = Low | 500 | mVP-P | ||||
| ΔVO DIFF | Change in LVDS Output Swing Between Logic Levels | ±1 | mV | |||
| VOS | Output Offset Voltage(2) | VBG = Floating | 0.8 | V | ||
| VBG = VA | 1.2 | V | ||||
| ΔVOS | Output Offset Voltage Change Between Logic Levels | See (2) | ±1 | mV | ||
| IOS | Output Short-Circuit Current(2) | VBG = Floating; D+ and D− connected to 0.8 V |
±4 | mA | ||
| ZO | Differential Output Impedance | See (2) | 100 | Ω | ||
| VOH | Logic High-Output Level | CalRun, IOH = −100 µA,(2)
SDO, IOH = −400 µA(2) |
1.65 | V | ||
| VOL | Logic Low-Output Level | CalRun, IOL = 100 µA,(2)
SDO, IOL = 400 µA(2) |
0.15 | V | ||
| VCMI_DRST | DCLK_RST Common-Mode Input Voltage | See (2) | 1.25 | V | ||
| VID_DRST | Differential DCLK_RST Input Voltage | See (2) | VIN_CLK | VP-P | ||
| RIN_DRST | Differential DCLK_RST Input Resistance | See (2) | 100 | Ω | ||
| PARAMETER | TEST CONDITIONS | MIN | TYP | MAX | UNIT | ||
|---|---|---|---|---|---|---|---|
| IA | Analog Supply Current | PDI = PDQ = Low | ADC12D1600RF | 1225 | mA | ||
| ADC12D1000RF | 1140 | ||||||
| PDI = Low; PDQ = High | ADC12D1600RF | 670 | mA | ||||
| ADC12D1000RF | 625 | ||||||
| PDI = High; PDQ = Low | ADC12D1600RF | 670 | mA | ||||
| ADC12D1000RF | 625 | ||||||
| PDI = PDQ = High | 2.7 | mA | |||||
| ITC | Track-and-Hold and Clock Supply Current | PDI = PDQ = Low | ADC12D1600RF | 490 | mA | ||
| ADC12D1000RF | 410 | ||||||
| PDI = Low; PDQ = High | ADC12D1600RF | 290 | mA | ||||
| ADC12D1000RF | 250 | ||||||
| PDI = High; PDQ = Low | ADC12D1600RF | 290 | mA | ||||
| ADC12D1000RF | 250 | ||||||
| PDI = PDQ = High | 0.65 | µA | |||||
| IDR | Output Driver Supply Current | PDI = PDQ = Low | 270 | mA | |||
| PDI = Low; PDQ = High | 140 | mA | |||||
| PDI = High; PDQ = Low | 140 | mA | |||||
| PDI = PDQ = High | 6 | µA | |||||
| IE | Digital Encoder Supply Current | PDI = PDQ = Low | ADC12D1600RF | 105 | mA | ||
| ADC12D1000RF | 55 | ||||||
| PDI = Low; PDQ = High | ADC12D1600RF | 50 | mA | ||||
| ADC12D1000RF | 30 | ||||||
| PDI = High; PDQ = Low | ADC12D1600RF | 50 | mA | ||||
| ADC12D1000RF | 30 | ||||||
| PDI = PDQ = High | 34 | µA | |||||
| ITOTAL | Total Supply Current | 1:2 DEMUX MODE
PDI = PDQ = Low |
ADC12D1600RF | 2090 | 2310(1) | mA | |
| ADC12D1000RF | 1875 | 2105(1) | |||||
| NON-DEMUX MODE
PDI = PDQ = Low |
ADC12D1600RF | 2075 | mA | ||||
| ADC12D1000RF | 1800 | ||||||
| PC | Power Consumption | 1:2 DEMUX MODE | |||||
| PDI = PDQ = Low | ADC12D1600RF | 4 | 4.4(1) | W | |||
| ADC12D1000RF | 3.6 | 4(1) | |||||
| PDI = Low; PDQ = High | ADC12D1600RF | 2.2 | W | ||||
| ADC12D1000RF | 2 | ||||||
| PDI = High; PDQ = Low | ADC12D1600RF | 2.2 | W | ||||
| ADC12D1000RF | 2 | ||||||
| PDI = PDQ = High | 6.4 | mW | |||||
| NON-DEMUX MODE | |||||||
| PDI = PDQ = Low | ADC12D1600RF | 3.94 | W | ||||
| ADC12D1000RF | 3.42 | ||||||
| PARAMETER | TEST CONDITIONS | MIN | TYP | MAX | UNIT | ||
|---|---|---|---|---|---|---|---|
| SAMPLING CLOCK (CLK) | |||||||
| fCLK (max) | Maximum Sampling Clock Frequency | ADC12D1600RF | 1.6(1) | GHz | |||
| ADC12D1000RF | 1(1) | ||||||
| fCLK (min) | Minimum Sampling Clock Frequency | Non-DES Mode; LFS = 0b | 300(1) | MHz | |||
| Non-DES Mode; LFS = 1b | 150(1) | MHz | |||||
| DES Mode | 500(1) | MHz | |||||
| Sampling Clock Duty Cycle | fCLK(min) ≤ fCLK ≤ fCLK(max)(3) | 20%(1) | 50% | 80%(1) | |||
| tCL | Sampling Clock Low Time | See (2) | ADC12D1600RF | 200(1) | 500 | ps | |
| ADC12D1000RF | 125(1) | 312.5 | |||||
| tCH | Sampling Clock High Time | See (2) | ADC12D1600RF | 200(1) | 500 | ps | |
| ADC12D1000RF | 125(1) | 312.5 | |||||
| DATA CLOCK (DCLKI, DCLKQ) | |||||||
| DCLK Duty Cycle | See (2) | 45%(1) | 50% | 55%(1) | |||
| tSR | Setup Time DCLK_RST± | See (3) | 45 | ps | |||
| tHR | Hold Time DCLK_RST± | See (3) | 45 | ps | |||
| tPWR | Pulse Width DCLK_RST± | See (2) | 5(1) | Sampling Clock Cycles | |||
| tSYNC_DLY | DCLK Synchronization Delay | 90° Mode(2) | 4(1) | Sampling Clock Cycles | |||
| 0° Mode(2) | 5(1) | ||||||
| tLHT | Differential Low-to-High Transition Time | 10%-to-90%, CL = 2.5 pF(3) | 200 | ps | |||
| tHLT | Differential High-to-Low Transition Time | 10%-to-90%, CL = 2.5 pF(3) | 200 | ps | |||
| tSU | Data-to-DCLK Setup Time | DDR 90° Mode(2) | ADC12D1600RF | 500 | ps | ||
| ADC12D1000RF | 870 | ||||||
| tH | DCLK-to-Data Hold Time | DDR 90° Mode(2) | ADC12D1600RF | 500 | ps | ||
| ADC12D1000RF | 870 | ||||||
| tOSK | DCLK-to-Data Output Skew | 50% of DCLK transition to 50% of Data transition DDR 0° Mode, SDR Mode (2) |
±50 | ps | |||
| DATA INPUT-TO-OUTPUT | |||||||
| tAD | Aperture Delay(3) | Sampling CLK+ Rise to Acquisition of Data | 1.29 | ns | |||
| tAJ | Aperture Jitter | See (3) | 0.2 | ps (rms) | |||
| tOD | Sampling Clock-to Data Output Delay (in addition to Latency) | 50% of Sampling Clock transition to 50% of Data transition(3) | 3.2 | ns | |||
| tLAT | Latency in 1:2 Demux Non-DES Mode(2) | DI, DQ Outputs | 34(1) | Sampling Clock Cycles | |||
| DId, DQd Outputs | 35(1) | ||||||
| Latency in 1:4 Demux DES Mode(2) | DI Outputs | 34(1) | |||||
| DQ Outputs | 34.5(1) | ||||||
| DId Outputs | 35(1) | ||||||
| DQd Outputs | 35.5(1) | ||||||
| Latency in Non-Demux Non-DES Mode(2) | DI Outputs | 34(1) | |||||
| DQ Outputs | 34(1) | ||||||
| Latency in Non-Demux DES Mode(2) | DI Outputs | 34(1) | |||||
| DQ Outputs | 34.5(1) | ||||||
| tORR | Over Range Recovery Time (3) | Differential VIN step from ±1.2 V to 0 V to accurate conversion | 1 | Sampling Clock Cycles | |||
| tWU | Wake-Up Time (PDI/PDQ low to Rated Accuracy Conversion) | Non-DES Mode(2) | 500 | ns | |||
| DES Mode(2) | 1 | µs | |||||
| PARAMETER | TEST CONDITIONS | MIN | NOM | MAX | UNIT | |
|---|---|---|---|---|---|---|
| fSCLK | Serial Clock Frequency | See (2) | 15 | MHz | ||
| Serial Clock Low Time | 30(1) | ns | ||||
| Serial Clock High Time | 30(1) | ns | ||||
| tSSU | Serial Data-to-Serial Clock Rising Setup Time | See (2) | 2.5 | ns | ||
| tSH | Serial Data-to-Serial Clock Rising Hold Time | See (2) | 1 | ns | ||
| tSCS | SCS-to-Serial Clock Rising Setup Time | See (3) | 2.5 | ns | ||
| tHCS | SCS-to-Serial Clock Falling Hold Time | See (3) | 1.5 | ns | ||
| tBSU | Bus turnaround time | See (3) | 10 | ns | ||
| PARAMETER | TEST CONDITIONS | MIN | NOM | MAX | UNIT | |
|---|---|---|---|---|---|---|
| tCAL | Calibration Cycle Time | Non-ECM | 4.1×107 | Sampling Clock Cycles | ||
| ECM CSS = 0b | ||||||
| ECM CSS = 1b | ||||||
| tCAL_L | CAL Pin Low Time | See (2) | 1280(1) | Sampling Clock Cycles | ||
| tCAL_H | CAL Pin High Time | See (2) | 1280(1) | |||
| tCalDly | Calibration delay determined by CalDly Pin(2) | CalDly = Low | 224(1) | Sampling Clock Cycles | ||
| CalDly = High | 230(1) | |||||




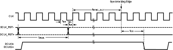
Figure 4-5 Data Clock Reset Timing (Demux Mode)
Figure 4-6 Power-on and On-Command Calibration Timing
Figure 4-7 Serial Interface Timing
Figure 4-8 Input / Output Transfer Characteristic
VA = VDR = VTC = VE = 1.9 V, fCLK = 1600 MHz / 1000 MHz for the ADC12D1600RF / ADC12D1000RF, respectively, fIN = 498 MHz, TA= 25°C, I-channel, Demux Non-DES Mode, unless otherwise stated.
Figure 4-9 INL vs Code (ADC12D1600RF)
Figure 4-11 INL vs Temperature (ADC12D1600RF)
Figure 4-13 DNL vs Code (ADC12D1600RF)
Figure 4-15 DNL vs Temperature (ADC12D1600RF)
Figure 4-17 ENOB vs Temperature (ADC12D1600RF)
Figure 4-19 ENOB vs Input Frequency (ADC12D1600RF)
Figure 4-21 ENOB vs VCMI (ADC12D1000RF)
Figure 4-23 SNR vs Supply Voltage (ADC12D1600RF)
Figure 4-25 THD vs Temperature (ADC12D1600RF)
Figure 4-27 THD vs Input Frequency (ADC12D1600RF)
Figure 4-29 SFDR vs Supply Voltage (ADC12D1600RF)
Figure 4-31 CROSSTALK vs Source Frequency (ADC12D1600RF)
Figure 4-33 Insertion Loss (ADC12D1x00RF)
Figure 4-35 Power Consumption vs Clock Frequency (ADC12D1000RF)
Figure 4-10 INL vs Code (ADC12D1000RF)
Figure 4-12 INL vs Temperature (ADC12D1000RF)
Figure 4-14 DNL vs Code (ADC12D1000RF)
Figure 4-16 DNL vs Temperature (ADC12D1000RF)
Figure 4-18 ENOB vs Supply Voltage (ADC12D1600RF)
Figure 4-20 ENOB vs VCMI (ADC12D1600RF)
Figure 4-22 SNR vs Temperature (ADC12D1600RF)
Figure 4-24 SNR vs Input Frequency (ADC12D1600RF)
Figure 4-26 THD vs Supply Voltage (ADC12D1600RF)
Figure 4-28 SFDR vs Temperature (ADC12D1600RF)
Figure 4-30 SFDR vs Input Frequency (ADC12D1600RF)
Figure 4-32 CROSSTALK vs Source Frequency (ADC12D1000RF)
Figure 4-34 Power Consumption vs Clock Frequency (ADC12D1600RF)